Thảo luận về 2 mạch 2a3: SRPP vs Sun Audio

Discussion in 'Đèn điện tử' started by Hodio, 17/9/18.

  1. Hodio

    Hodio Advanced Member

    Joined:
    11/10/12
    Messages:
    319
    Likes Received:
    121
    Dear các Sếp,

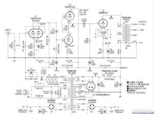
    Em mở topic này để thảo luận về 2 mạch 2a3 SRPP và mạch của Sun Audio SV-2a3 (xem hình).
    Cả 2 mạch chỉ khác nhau phần mạch của bóng 6SN7, còn lại giống nhau toàn bộ. Linh kiện sử dụng cũng giống nhau, trở toàn bộ dùng Kiwame, tụ thoát Blackgate. Sau thời gian hoàn thiện và nghe thử thì em có những nhận xét như sau:

    - Chất âm: như nhau, điều này đương nhiên, vì toàn bộ dàn máy, bóng... giữ nguyên.
    - Gain: Mạch Sun Audio vặn volume góc 3h là đủ nghe cho phòng 25m2, trong khi đó mạch SRPP phải vặn volume đến góc 9h mới tương đương.
    - 3 dãi: Mạch Sun Audio nhẹ nhàng, tập trung vào mid nhiều, treb tơi nhuyễn, chi tiết, bass hơi nhẹ, nhưng vẫn tốt. Mạch SRPP cho 3 dãi đều hơn. Cá nhân em thích mạch SRPP hơn.

    Bây giờ, em muốn tăng gian cho mạch SRPP lên, thì phải làm sao các Sếp nhỉ? Các Sếp có ai đã trãi nghiệm 2 mạch này đi qua đây cho xin vài lời chỉ giáo :).

    SRPP-Sun.jpg
     
    Tags:
  2. nguyenha7940

    nguyenha7940 Advanced Member

    Joined:
    5/12/12
    Messages:
    4.304
    Likes Received:
    1.386
    Location:
    Đống Đa,Hà Nội,sdt 0362353228
    Gain mạch SRPP thiếu có nhiều không bạn...
    Bạn biết tại sao mạch SRPP gain lại ít hơn mạch Sun không...
    Từ đó muốn tăng gain thì phải khắc phục lại phần SRpp còn thiếu là được thôi...
     
  3. Hodio

    Hodio Advanced Member

    Joined:
    11/10/12
    Messages:
    319
    Likes Received:
    121
    Thú thật với bác là trình độ của em chỉ biết vặn tút nơ vít và chấm mỏ hàn thôi ah. Còn lại em chưa hiểu tại sao SRPP thiếu gain, nếu bác có thời gian rảnh thì giúp em vài ý nhé. Tks a lot!
     
  4. eng.tuananh

    eng.tuananh Advanced Member

    Joined:
    26/11/08
    Messages:
    2.224
    Likes Received:
    503
    Location:
    Ha Noi
    820R hay 820k mạch SRPP b ơi? B bỏ tụ thoát K mạch srpp còn đều dải hơn nữa. Mạch này muốn tăng gain thì thêm 1 tầng nữa
     
    anberrymail and Hodio like this.
  5. nguyenha7940

    nguyenha7940 Advanced Member

    Joined:
    5/12/12
    Messages:
    4.304
    Likes Received:
    1.386
    Location:
    Đống Đa,Hà Nội,sdt 0362353228
    Một đằng nó dùng hai vế của đèn để khuếch đại đệm và hệ số khuếch đại sẽ lớn đủ gain cho mạch công suất mạch Sun...
    Còn mạch SRpp chỉ có đèn đầu là có hệ số khuếch đai n>1, nửa còn lại của bóng chỉ là đèn đệm có hệ số khuếch đại n=1 do vậy thiếu gain là đương nhiên....mạch SRpp
    Muốn cho đủ gain như mạch Sun thì tăng thêm tầng khếch đại để bù cho đủ phần thiếu đó... Hoặc không đổi đèn 6sn7 thành đèn khác có hệ số khuếch đại của vế đầu bằng hai đèn của 6sn7 như hình của mạch Sun...
     
    Hodio likes this.
  6. Hodio

    Hodio Advanced Member

    Joined:
    11/10/12
    Messages:
    319
    Likes Received:
    121
    820R bác ah. Giờ làm cách nào để thêm 1 tầng? Phải thêm bóng hả bác?
     
  7. Hodio

    Hodio Advanced Member

    Joined:
    11/10/12
    Messages:
    319
    Likes Received:
    121
    Cám ơn bác, em đã hiểu. Bác có lời khuyên nào cho 2 giải pháp trên không ah?
    1. Tăng thêm tầng: cách này chắc phải thêm bóng đúng ko bác?
    2. Đổi 6sn7 thành đèn khác: em đang tìm hiểu phương án này, em đang nghĩ đến thay qua 6sl7 nhưng chưa hiểu gì về bóng này, mới chỉ biết là gain nó cao hơn, nhưng cụ thể thì chưa rõ.
    Cám ơn bác nhiều!
     
  8. nguyenha7940

    nguyenha7940 Advanced Member

    Joined:
    5/12/12
    Messages:
    4.304
    Likes Received:
    1.386
    Location:
    Đống Đa,Hà Nội,sdt 0362353228
    Thường thì trong trường hợp này:
    1- thêm 1 đèn khuếch đại 6sn7 nữa mỗi vế cho 1 kênh cùng 1 loại đèn dễ kiếm dễ lắp.... Mạch này có cái hay là dùng đèn 3 cực khuếch đại tiếng sạch không bị ồn nhưng phải bố trí thêm 1 đèn nưa củng 2 tụ nối tầng...còn như mình thì có thể dùng ghép trực tiếp không cần cái tụ này...
    2- thay 6sn7 thành bóng khác 3 cực+5cực thì số đèn vẫn vậy đèn 5 cực cho tiền khuếch do là đèn 5 cực nên hệ số khuếch đại lớn có thể bằng hai tầng của đèn 3 cực cũ, còn phần 3 cực để làm phần đệm như hình SRpp của bạn vẽ cái này có cái hay là không cần tăng số lượng đèn nhưng có cái dở là đèn 5 cực có độ ồn nhiều hơn đèn 3 cực, bạn phải biết rõ về đèn tý thì lắp mới chuẩn.... Nhưng nhiều amply cổ họ vẫn dùng đèn 3 cực +5 cực để cho mạch loại này tiếng kêu vẫn hay...như họ dùng 6an8 chẳng hạn còn không kiếm mấy cái đèn ecf... Để lắp đèn đó dễ kiếm hoặc ecl... Cũng vậy...
     
  9. eng.tuananh

    eng.tuananh Advanced Member

    Joined:
    26/11/08
    Messages:
    2.224
    Likes Received:
    503
    Location:
    Ha Noi
    B có thể theo nguyên lý của mạch này, tầng đầu chỉ cần 1 triode, thay vì chập 2 triode như thế này.
     

    Attached Files:

    DJVDK and Hodio like this.
  10. My FB

    My FB Advanced Member

    Joined:
    9/9/06
    Messages:
    2.893
    Likes Received:
    693
    Location:
    Phu Nhuan - Ho Chi Minh City
    Để bác chủ tham khảo
    244B3254-EB5E-4EE3-80D8-9FA0F132843A.jpeg
     
    eng.tuananh likes this.
  11. nguyenha7940

    nguyenha7940 Advanced Member

    Joined:
    5/12/12
    Messages:
    4.304
    Likes Received:
    1.386
    Location:
    Đống Đa,Hà Nội,sdt 0362353228
    Mạch của fb với mạch SRPP của chủ thớt về bản chất có khác nhau nhiều không nhỉ....
    Mạch srpp của chủ thớt đang bị chủ thớt phàn nàn thiếu gain mà...
     
    Hodio likes this.
  12. My FB

    My FB Advanced Member

    Joined:
    9/9/06
    Messages:
    2.893
    Likes Received:
    693
    Location:
    Phu Nhuan - Ho Chi Minh City
    Nick name của em là My FB bác nhé ...;)
    Bác nên xem lại data sheet của 6SN7 và 6SL7 để thấy sự khác biệt giữa 2 dòng bóng này bác nhé.
    Một bóng là Mid-Mu và em kia là Hi-Mu nên bác ......;)
    Mạch em post là của.... hãng đấy bác. Bác có thể search trên google sẽ biết về họ
     
    Last edited: 17/9/18
    Hodio likes this.
  13. My FB

    My FB Advanced Member

    Joined:
    9/9/06
    Messages:
    2.893
    Likes Received:
    693
    Location:
    Phu Nhuan - Ho Chi Minh City
    Thiết kế 2A3 SE mà em thích nhất của một top cao thủ trên diễn đàn này
    3FF63E8C-C1E8-41ED-ADB6-BFF4F993F0F7.jpeg
     
  14. eng.tuananh

    eng.tuananh Advanced Member

    Joined:
    26/11/08
    Messages:
    2.224
    Likes Received:
    503
    Location:
    Ha Noi
    Western rồi lại IT,..thế kia thì ai mà chả thích!
    6SL7 là 1 giải pháp tốt nhưng e thấy đèn này tiếng hơi mỏng, k giống như 6sn7. Bác chủ chơi 7f7 đê, tương đương vs 6sl7 nhưng chất âm khá hơn
     
    Hodio likes this.
  15. nguyenha7940

    nguyenha7940 Advanced Member

    Joined:
    5/12/12
    Messages:
    4.304
    Likes Received:
    1.386
    Location:
    Đống Đa,Hà Nội,sdt 0362353228
    6sl7_a_popis_001_v (1).jpg
    6sn7 đèn này có muy =20
    6sl7 có muy =70....
    Mạch sun có hai tầng khuếch đại 6sn7... tải xuống.jpg
     
    Hodio likes this.
  16. eng.tuananh

    eng.tuananh Advanced Member

    Joined:
    26/11/08
    Messages:
    2.224
    Likes Received:
    503
    Location:
    Ha Noi

    Attached Files:

    Hodio likes this.
  17. Hodio

    Hodio Advanced Member

    Joined:
    11/10/12
    Messages:
    319
    Likes Received:
    121
    Cám ơn các bác rất nhiều, em sẽ nghiên cứu dần và áp dụng vô ampli hiện tại.
     
  18. Hodio

    Hodio Advanced Member

    Joined:
    11/10/12
    Messages:
    319
    Likes Received:
    121
    Em cám ơn bác, em thấy phương án thay qua bóng 6SL7 để tăng hệ số khuếch đại lên 70 (6SN7 = 20) có vẻ khả thi nhất với em đến thời điểm này. Với mạch em hiện có, chỉ cần thay mấy con trở là co thể cắm bóng 6SL7 vào chơi được. Tuy nhiên, có một vài điểm em chưa hiểu rõ, các bác có thời gian chỉ dẫn giúp em với:

    1. Nguồn: 250v
    2. Trở: 3.6k Ohm x 2
    3. Tụ thoát: 220uf

    Kiến thức em lúc này, có thể tự tính toán để thay đổi được mục 1, tức là nguồn 250v, muốn bao nhiêu em làm được. Mục 2: trở thì dễ, cần trị số nào mua là có. Mục 3. tụ thoát đã có sẵn.

    Thắc mắc:
    1. Nguồn: thay đổi nguồn cao hơn hoặc thấp hơn 250v: ảnh hưởng đến hoạt động ampli thế nào?
    2. Trở: thay trị số 3.6k Ohm này cao hơn, hoặc thấp hơn: ảnh hưởng đến hoạt động ampli thế nào?
    3. Tụ thoát: 220uf. Cái này em đọc nhiều mạch và nghe nhiều người nói. Có các quan điểm sau:
    - Bỏ tụ này: hay hơn, đều dãi hơn.
    - Thay tụ 100uf là vừa đủ để hồi tiếp âm, tụ trị số cao hơn, không có ảnh hưởng.
    - Thay tụ 220uf này thành tụ cao hơn: giống nhấn nút loudness... thay tụ trị số thấp hơn, ngược lại.

    Em hỏi hơi nhiều, vì em cũng mới tập tành, rất mong được chỉ giáo hehe. Cám ơn các Sếp!


    6SL7 các trị số.png
     
  19. nguyenha7940

    nguyenha7940 Advanced Member

    Joined:
    5/12/12
    Messages:
    4.304
    Likes Received:
    1.386
    Location:
    Đống Đa,Hà Nội,sdt 0362353228
    Mạch Sun của bạn thì hệ số khuếch đại trước bóng công suất là khoảng 400 lần..
    Mạch SRPP hệ số khuếch đai trước bóng công suất khoảng 20 lần...
    Mạch dùng bóng 6sl7 hệ số khuếch đại trước bóng công suất 70 lần...
    Mạch dùng bóng 6sl7 như sơ đồ không cẩn thận sẽ bị ù nhiều đấy....
     
    Hodio likes this.
  20. Hodio

    Hodio Advanced Member

    Joined:
    11/10/12
    Messages:
    319
    Likes Received:
    121
    mạch.png
    Căm ơn bác rất nhiều. Em làm mỗi mạch 1 bộ thế này (như hình) nên khi thay ra thay vào thử nghiệm cũng rất nhanh, và nếu có vấn đề gì về ù xì, thì em lại thay bộ mạch Sun như hình vào lại để nghe và nghiên cứu tiếp.
    Về độ khuyếch đại 20 lần, 70 lần thì em hiểu, vì trong datasheet của bóng có ghi, hoặc có thể tính theo công thức Mu = S*Ri. Trong mạch Sun, bác nói độ khuếch đại 400 lần, như vậy mình phải tính toán sao để ra số này vậy bác?
     
  21. Hodio

    Hodio Advanced Member

    Joined:
    11/10/12
    Messages:
    319
    Likes Received:
    121
    Tự trả lời câu hỏi này được rồi, Vì bóng 6SN7 khuếch đại 2 lần, nên tổng số khuếch đại sẽ là 20x20 = 400 lần.
     
    nguyenha7940 likes this.
  22. nguyenha7940

    nguyenha7940 Advanced Member

    Joined:
    5/12/12
    Messages:
    4.304
    Likes Received:
    1.386
    Location:
    Đống Đa,Hà Nội,sdt 0362353228
    Bạn có cách chế mạch sẵn hay nhỉ cần phải học tập gấp....
    Nhưng mà như hình thì là dùng cho loại chân tăm..... Với loại chân tăm này đầy lựa chọn bóng...
     
  23. Hodio

    Hodio Advanced Member

    Joined:
    11/10/12
    Messages:
    319
    Likes Received:
    121
    Đâu có anh, loại 8 pin đó, dùng cho 6SN7, 6SL7...
     
  24. eng.tuananh

    eng.tuananh Advanced Member

    Joined:
    26/11/08
    Messages:
    2.224
    Likes Received:
    503
    Location:
    Ha Noi
    Hơ hơ, bác ngây thơ thật vậy sao? :D
     
  25. Minhkhue

    Minhkhue Advanced Member

    Joined:
    13/10/14
    Messages:
    204
    Likes Received:
    70
    tụ thoát K của đèn 2A3 e thay bằng tụ 200uf thì có ảnh hưởng gì ko các bác?
     
    Hodio likes this.
Tags:

Share This Page

Loading...