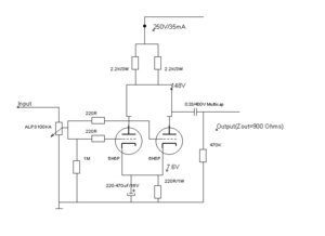
sơ đồ mạch pre M77 của audionote xin các cao thủ cho ý kiến về mạch này có đáng để lắp không ạ

Discussion in 'Đèn điện tử' started by tri bolero, 21/4/18.

  1. tri bolero

    tri bolero Advanced Member

    Joined:
    29/12/14
    Messages:
    191
    Likes Received:
    119
    C9A3EA0E-1D3B-4AE8-BD19-BD2F59D7EB58.png A65478C0-F9DF-47DC-8278-A3546DA9DA1B.png 37D90338-6DE7-46AD-9012-D0286BAE006F.png sơ đồ mạch pre M77 của audionote xin các cao thủ cho ý kiến về mạch này có đáng để lắp không ạ...mạch e tìm đuoc trên google...có bác nào cùng e đu theo mạch này kg a...e tính đi mạch p2p.
    ai nghe qua con pre này rồi cho ý kiến ạ...e cảm ơn
     
    Tags:
  2. nguyenha7940

    nguyenha7940 Advanced Member

    Joined:
    5/12/12
    Messages:
    4.304
    Likes Received:
    1.386
    Location:
    Đống Đa,Hà Nội,sdt 0362353228
    Mạch này đơn giản dễ lắp .như bưng có phần đốt tim thì con 7812 ngồi trên hai con diot để cho ra 12,6V như vậy là sai...(0.7Vx2=1.4V+12V=13.4V) sợi đốt như vậy đốt hơi lớn. Đèn sẽ nhanh già... Kể ra chỉ cần dùng 7812 không thôi đốt hơi non tý đèn sẽ dùng được lâu.... Có cục pre scott họ nung tim đèn 12ax có 11V cho đảm bảo tuổi thọ đèn cao...
    Do là pre nên dòng Ia của bóng rất nhỏ chỉ vài mA cho toàn máy nên dùng choke để lọ thì hơi phí phạm dùng trở lọc hay hơn...
     
  3. tri bolero

    tri bolero Advanced Member

    Joined:
    29/12/14
    Messages:
    191
    Likes Received:
    119
    phần đốt tim thì e có thể sữ dụng mạch lm317 đốt tim.
     
  4. thanh nhac

    thanh nhac Advanced Member

    Joined:
    5/11/12
    Messages:
    209
    Likes Received:
    111
    Bác lưu ý mạch này dùng 4 den 12ay7 cho 2 kênh mua bóng my nos dắt lắm do dau paralel nên cần bóng metpai mua bóng nga mới ok
     
  5. nad253

    nad253 Approved Member

    Joined:
    19/7/10
    Messages:
    6
    Likes Received:
    0
    cho em hỏi ké với.
    Em có một số bóng đèn bạn cho ko biết làm dc cái gì :D các bác tư vấn giúp
    - 3 bóng 6H6P
    - 9 bóng 6k4
    - 3 bóng 6J1
    - 1 bóng 6A2
    - 1 bóng 5Z2P
    - 1 bóng giống 5Z2P nhưng bị mất số chữ
    Còn một số thứ linh tinh nữa ko ghi thông số (cái có cái ko)
    Các bác xem giúp có thể làm dc gì với đống đồ này ko ạ?
     

    Attached Files:

  6. nguyenha7940

    nguyenha7940 Advanced Member

    Joined:
    5/12/12
    Messages:
    4.304
    Likes Received:
    1.386
    Location:
    Đống Đa,Hà Nội,sdt 0362353228
    Mấy bóng đó của bạn chỉ làm được pre mà thôi...
     
    nad253 likes this.
  7. nad253

    nad253 Approved Member

    Joined:
    19/7/10
    Messages:
    6
    Likes Received:
    0
    Bác có sơ đồ mạch pre nào mà sử dụng được mấy cái bóng đó ko ạ?
     
  8. thanh nhac

    thanh nhac Advanced Member

    Joined:
    5/11/12
    Messages:
    209
    Likes Received:
    111
    nanet1.JPG nanet1.JPG 8
     
    nad253 likes this.
  9. thanh nhac

    thanh nhac Advanced Member

    Joined:
    5/11/12
    Messages:
    209
    Likes Received:
    111
    Nanet.jpg Nanet.jpg Nanet.jpg
     
    nad253 likes this.
  10. thanh nhac

    thanh nhac Advanced Member

    Joined:
    5/11/12
    Messages:
    209
    Likes Received:
    111
    Đây bác
     
    nad253 likes this.
  11. nad253

    nad253 Approved Member

    Joined:
    19/7/10
    Messages:
    6
    Likes Received:
    0
    thank bác! Để em thử vọc :)
     
  12. nguyenha7940

    nguyenha7940 Advanced Member

    Joined:
    5/12/12
    Messages:
    4.304
    Likes Received:
    1.386
    Location:
    Đống Đa,Hà Nội,sdt 0362353228
    Mạch pre mà Ia= 35mA liệu có cao quá không. Với dòng lớn như thế tiếng sẽ xấu đấy.....
    Theo mình con Ra đang để 2,2k x2 thay bằng Ra =220k x2 /1W ( 1W/1 con ) thì đẹp hơn...
     
    nad253 likes this.
  13. thanh nhac

    thanh nhac Advanced Member

    Joined:
    5/11/12
    Messages:
    209
    Likes Received:
    111
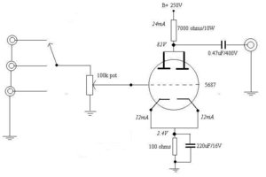
    6h6p chứ ko phải 12ax7 đâu mà bác bảo thay trở 220k 1w nó cháy ngay bác xem lại ddatataaseet của 6h6p và 5687đi nó chạy có 17ma một triod la đẹp
     
    nad253 likes this.
  14. jamahamvui1978

    jamahamvui1978 Advanced Member

    Joined:
    9/12/13
    Messages:
    2.554
    Likes Received:
    221
    Nhìn datasheet bóng Nga ngon thiệt đó, Chọn điểm làm việc như mạch trên loadline từ 30k-100k đèn tuyến tính gần như tuyệt đối :eek:
     
    nad253 likes this.
Tags:

Share This Page

Loading...