Nhạc Số- Pure Dsd Dac Ngon Bổ Rẻ ,nguồn Âm Thay Thế Lp Cho Các Audiophile

Discussion in 'Thiết bị số' started by giahuy, 22/3/17.

  1. bskhang

    bskhang Advanced Member

    Joined:
    13/6/16
    Messages:
    111
    Likes Received:
    104
    Vẫn chưa thấy động tĩnh gì mới các bác nhỉ
     
  2. Acrossusa

    Acrossusa Approved Member

    Joined:
    22/2/18
    Messages:
    47
    Likes Received:
    19
    đang đợi giống bác
     
  3. Hai_nd

    Hai_nd Advanced Member

    Joined:
    19/2/18
    Messages:
    74
    Likes Received:
    59
    iem cũng bị ạ, ko to lắm
     
  4. Acrossusa

    Acrossusa Approved Member

    Joined:
    22/2/18
    Messages:
    47
    Likes Received:
    19
    đang đợi con này so với con x-grand (4 tube + r2r)của Thivan Labs
     
    tqv-hcm likes this.
  5. thanh447

    thanh447 Approved Member

    Joined:
    11/9/16
    Messages:
    49
    Likes Received:
    109
    nếu thắng con thivan xgrand, Bác chủ mở công ty luôn nha, vì sẽ có nhiều đơn hàng lắm.
     
    Acrossusa likes this.
  6. panzer90

    panzer90 Advanced Member

    Joined:
    20/3/16
    Messages:
    3.427
    Likes Received:
    2.188
    E nói thật là thivan thì nội thất qá chán :( lkien toàn đồ qá bthg mà giá thì chát. Bác nào hiểu kĩ thuật chút sẽ biết
     
    Acrossusa likes this.
  7. panzer90

    panzer90 Advanced Member

    Joined:
    20/3/16
    Messages:
    3.427
    Likes Received:
    2.188
    Còn tâm lý của đa phần ng việt là hơn thì ghét, kém thì khinh. Mình đỗ ko vui bằng nhìn thấy bạn trượt
     
  8. giahuy

    giahuy Shop

    Joined:
    25/5/11
    Messages:
    700
    Likes Received:
    1.865
    Dự án mới các Bác đang chờ đợi , em sẽ có kế hoạch công bố sớm
     
    Last edited: 23/4/18
  9. Acrossusa

    Acrossusa Approved Member

    Joined:
    22/2/18
    Messages:
    47
    Likes Received:
    19
    Cám ơn bác ,đang đợi bác ạ
     
  10. tqv-hcm

    tqv-hcm Advanced Member

    Joined:
    22/4/14
    Messages:
    376
    Likes Received:
    199
    Location:
    TP.Ho Chi Minh
    Nếu các bác đã là người trải nghiệm DAC rồi thì không kể đồ hãng (đồ họ làm hàng loạt 1 serial nên đã chuẩn bị sẵn lô linh kiện giống nhau rồi,và đa số là Dac bán dẫn ). Còn với các sản phẩm Diy thì cùng một thiết kế mà dùng các linh kiện khác nhau đã ra 1 chất âm khác nhau rồi (nhất là các đồ dùng đến đèn điện tử ), vì vậy cùng 1 loạt sản phẩm khi làm ra 1 đợt cũng chỉ có chất âm tương tự giống nhau thôi . Khi đưa ra 1 sản phẩm các diy đều muốn và cố gắng đưa ra sản phẩm tốt,hay nhất theo chủ quan của người đã nghiên cứu,thiết kế và thực hiện, mà phù hợp với giá thành đưa ra thôi ( nên nhiều khi đồ diy với linh kiện gấu giá còn cao hơn của hãng là bình thường ) . Còn lại việc đánh giá và thích chất âm của sản phẩm nào đó lại tuỳ thuộc vào gu nghe sở thích của mỗi người nên rất khó đánh giá trong audio (kể cả đồ hãng ), nên nếu có thử nghe,trải nghiệm các sản phẩm Dac khác nhau trên cùng một hệ thống audio ( cả phần cứng và mềm ) để trải nghiệm và tìm một chất âm mà mình thấy thích thôi ! Chứ các bác đừng có đặt nặng nề việc thi với đấu để đánh giá một sản phẩm “Nhất” ở đây cả,sản phẩm nào về mặt kỹ thuật đều có một nguyên lý và triết lý của họ cả,còn nếu có điều kiện trải nghiệm nhiều thì các bác sẽ tìm được sản phẩm thích nghe,ưng ý và hợp với mình nhất trong điều kiện cho phép thôi, hãy là người tiêu dùng thông minh chứ đừng chạy theo phong trào khi chưa có điều kiện . Chúc các bác trải nghiệm vui và tìm được sản phẩm Dac phù hợp cho bộ dàn audio của mình …?!
     
    Thangtd76, ndh, nvss and 2 others like this.
  11. oneclicklogin

    oneclicklogin Advanced Member

    Joined:
    18/12/12
    Messages:
    1.223
    Likes Received:
    907
    Bác này nói chí phải. có khi 1 con DAC người này thích nhưng người kia lại kg thích, 9 người 10 ý nên kg có điểm chung nào để so sánh cả tùy gu nghe của mỗi người.
     
  12. thanh447

    thanh447 Approved Member

    Joined:
    11/9/16
    Messages:
    49
    Likes Received:
    109
    Đợi chờ là Hạnh Phúc Bác Giahuy ơi. một sản phẩm mới sắp trình làng.
     
  13. giahuy

    giahuy Shop

    Joined:
    25/5/11
    Messages:
    700
    Likes Received:
    1.865
    Gần tới ngày lễ em được nghĩ 4 ngày , em đã chuẩn bị để có 4 ngày tự do sáng tạo thiết kế cho 1 sản phẩm mới
    Lần này nặng về chất xám , em nghĩ rằng người Việt cần phải làm được các thiết bị audio cho riêng mình , khộng thể dùng các sản phẩm clone từ phương Tây của anh ba hàng xóm được , trong khi Vietnam là cường quốc về phần mềm mà lại chưa có một DAC nào dùng phần mềm việtnam để làm việc cả
    Thiết kế lần này là 1 super Dac chơi vưa pure DSD vừa Pure PCM va tất cả được điều khiển bằng phần mềm lập trình của người Việt
    Sau bản prototype dùng Shroekris và pure DSD với cùng 1 buffer thì rõ ràng PCM có cái hay của PCM và DSD có cái hay của DSD . Người nào nghe định dạng này mà chê định dạng kia là vì chưa có cơ sở để tham chiếu
    Có 1 diều chắc chắn là PCM convert sang DSD thì không hay bằng chơi PCM nguyên gốc . DSD convert sang PCM thì không hay bằng DSD nguyên chất . Nguyên nhân thì rất là logic
    Muốn convert từ PCM sang DSD , phải lấy giá trị multibit (16bit hay 24 bit) phân thành xung ( bit stream ) qua trình
    này là một phép chia số thực (floating point) nên cần CPU mạnh hoặc vi xừ lý mạnh và qua trình convert này không bảo đảm bitperfect
    Tương tự DSD sang PCM , từ bitstream cũng phải tính ra giá trị trung bình theo tần số lấy mẫu PCM ,quá trình này cũng có các sai số , và nhất là nguyên lý DSD , thì sai số khi convert PCM sẽ có sai số tích lũy do đó convert DSD sang PCM thường cho âm thanh dở hơn rất nhiều so với DSD sang PCM và tất nhiên là dở hơn pure DSD
    chưa nói , khi convert tài nguyên của MS server sẽ bị xử dụng nhiều gây Jitter ảnh hưởng đáng kể đến chất lượng âm thanh

    Trước tiên em định theo trường phái của PS audio direct stream tức la không quan tâm DSD hay PCM , tất cả khi vào DAC PS audio sẽ được convert và upsampling thành DSD x10 (DSD 64=1 ,DSD 128=2,DSD256=3 DSD512=4) và xuất ra mạch pure DSD qua các mạch FIR trong FPGA


    [​IMG]
    Cách này thì giúp ta chuẩn hóa phần buffer , filter với mọi định dạng và phần giải mã chi cần thiết kế một bộ 1bit deltasigma . Tuy nhiên việc convert PCM to DSD bằng FPGA cần 1 trình độ lập trình phức tạp . nên em sẽ để dành cho dự án tương lai khi trình độ verilogHDVL của em lên level đã

    Dự án từ đây cho tới cuối năm được tiến hành theo các bước sau :
    1. Lạp trình cho một mạch đầu vào ( Interface) có đầu vào là USB , SPDIF ( coaxial),Optical để các Bác chơi CD có thể sử dụng Dac này được , mạch interface này có giao diện LCD cho dễ sử dụng
    2. Data sau khi từ các cổng vào được phân phối chọn lựa bằng remote rồi qua 1 chip SRC ( digital sample rate converter) trong đó ta có thể lập trình lựa chọn tùy theo người dùng
    đi thằng PCM ra PCM , PCM ra DSD hay DSD đi thẳng
    3. Phần DAC được thiết kế bằng CPLD đi ra 2 nhánh pure DSD và pure R2R cho PCM
    mạch R2r được lập trình va thiết kế riêng không dùng shroekris
    ( đắt quá)
    4. Phần Buffer bằng Tube và biến thế đặc trưng của Dac Giahuy

    Khối lượng công việc là nhiều nhưng cũng đầy hứng thú và sáng tạo , với tuổi U60 mà phải học lại kỹ năng lập trình phần cứng và phần mềm cũng là một khó khăn nhưng với niềm tin và đam mê em mong rằng sản phẩm sẽ được trình làng trong năm nay
    Mong rằng dự án này cũng sẽ kích thích hoạt động DIY của các bạn trẻ sáng tạo để nâng cao trí tuệ Việt
     
    foxes_lover, tackehoa, mile and 20 others like this.
  14. oneclicklogin

    oneclicklogin Advanced Member

    Joined:
    18/12/12
    Messages:
    1.223
    Likes Received:
    907
    em ủng hộ bác về tinh thần cố lên nhé bác.
     
  15. Ngoc2

    Ngoc2 Advanced Member

    Joined:
    21/3/17
    Messages:
    1.566
    Likes Received:
    820
    Chào bác Giahuy, trân trọng cám ơn kèm vui mừng khi đọc dòng chia xẻ của Bạn.

    Tôi nhớ trước đây tác giả ních "Saphina" ngày 26/8/2007 có viết: "sinh viên điện tử năm 3,4 ở các trường ĐH ....biết rõ về loại Kit FGPA" (diễn đàn dientuvn).
    Các bạn trẻ này rất thành công trong nhiều lĩnh vực, tuy nhiên hình như thiếu cái gì đó đã bị bỏ ngỏ sự quan tâm cho audio.

    Tôi tin tưởng vào sự thành công
    của Bác trong dự án nay;
    Chúc Bác đạt được mơ ước "kích thích hoạt động DIY của các bạn trẻ sáng tạo" và quan tâm đến audio

    Chúc bác kỳ nghỉ vui vẻ, như ý
     
    Last edited: 24/4/18
    pqhung2005 and Hagemi like this.
  16. giahuy

    giahuy Shop

    Joined:
    25/5/11
    Messages:
    700
    Likes Received:
    1.865
    Cám ơn Bác Ngoc2 và các Bác đã động viên
    Một trong những nguyên nhân làm cho lãnh vực âm thanh số bị bỏ ngõ cho tới nay , phần lớn là do tâm lý tự mãn của các anh em diy audio( trong đó em cũng không miễn trừ) , khi copy được một mạch điện nào đó thì thường máy móc làm theo và cải tiến đôi chút bằng thêm thắt linh kiện và cho là tuyệt vờiít tìm hiểu cho tới gốc ngọn của vấn đề . Ví dụ như chơi nhạc số thì phải tìm hiểu cho tới cấu trúc file pcm , file wav , file DSD được tổ chức thế nào , được truyền đi thế nào , những yếu tố nào sẽ ảnh hưởng trong suốt quá trình từ gia trị trong file chuyển đổi thành analog .Từ đó mới có thể mô phỏng , giả lập và giải quyết vấn đề tại từng công đoạn . Quá trình nghiên cứu này , có khi đi dúng hướng hoặc cũng có thể sai ,khi sai thì ta lại học được từ những cái sai của mình và tìm ra đường đi đúng . Trong thời đại internet hiện nay , kiến thức và tài liệu nhiều vô kể và từ nhiều nguồn , có những cái thuộc về cơ bản ta có thể trích xuất sử dụng để đốt cháy giai đoạn việc copy sử dụng kiến thức của người đi trước không có gì xấu hổ cá ví dụ như khi lập trình ta sử dụng các bộ thư viện có sẳn lả bình thường ,vấn đề là ta hiểu được tại sao người ta làm như vậy và khi sử dụng cần phải tri ân và thông báo cho mọi người biết thì mới có thể cải tiến hay chọn cách khác đúng hơn .
    Trong lĩnh vực audio trước đây ta kính nễ ngưởi Nhật vì họ copy của âu mỹ nhưng sau đó phát triển bằng trí tuệ của mình và vượt lên phía trước. Lúc em chơi analog khi khảo sát các máy băng cối hay cassette của nhật như Nakamichi hay Sony, Akai , Teach mặc dầu nguyên lý thâu âm băng từ là do người Đức phát minh ,nhưng người nhật liên tục cải tiến và vượt lên phía trước nhờ những sản phẩm ưu việt của mình
    Còn Korea cách đây 20 năm khi em qua đại bản doanh của Samsung trên lối vào là 2 hàng tủ trong đó 1 hàng tủ họ trưng bày các sản phẩm điện tử của Sony từ máy quay phim , đầu betacam ... và 1 hàng tủ họ để sản phẩm tương tự của Samsung và một băng rôn thật lớn " Bao giờ Samsung vượt qua Sony " và tới nay họ đã vượt qua rồi

    Hiện nay China cũng đang đi theo con đường này , chúng ta thường khinh thường họ là đồ Copy , tuy nhiên tới nay trên cơ sở copy họ đã bắt đầu có các sản phẩm riêng được phát triển và bán mạnh ỏ các thị trường tiên tiến bằng thương hiệu riêngcủa họ ví dụ như Holo Dac , Oppo chẳng hạn

    Trong khi đó chỉ mới clone được một mạch điện cỏn con , chúng ta lại hài lòng và coi thiên hạ bằng 1 con mắt , sẳn sàng ném đá và gây gỗ với bất cứ ai nói khác với mình thì con đường phát triễn kỹ thuật của chúng ta còn xa lắm , âu đó cũng là đặc tính tiểu nông chúng ta cần thay đổi và vượt qua vậy !
     
    Last edited: 25/4/18
  17. vannam08031967

    vannam08031967 Approved Member

    Joined:
    26/4/17
    Messages:
    27
    Likes Received:
    21
    Location:
    TP.HCM
    Bác giahuy nhận định chuẩn xác và rất có tâm tư. Phải có những người đam mê ... (như bác giahuy chẳng hạn), rồi phải có .... nhưng em nghĩ phải có thị trường thương mại với các doanh nhân có tâm có tầm thì lĩnh vực thiết bị audio người Việt mình mới phát triển được, còn không vẫn chủ yếu là nhập khẩu của người ta . Trước đây cũng có vài doanh nghiệp Việt sản xuất nhưng rồi vì lý do này, lý do khác cũng lụi tàn hoặc chỉ còn loanh quanh ở lĩnh vực lắp ráp thiết bị karaoke kiểu clone.
     
  18. thanh447

    thanh447 Approved Member

    Joined:
    11/9/16
    Messages:
    49
    Likes Received:
    109
    Anh giahuy u60 mà còn tràn đầy tâm huyết, những sản phẩm của bác mà có nhà sản xuất và quảng cáo nữa là thành công thôi.
     
  19. vannam08031967

    vannam08031967 Approved Member

    Joined:
    26/4/17
    Messages:
    27
    Likes Received:
    21
    Location:
    TP.HCM
    Cũng với suy nghĩ đó nên mình không những rất ngưỡng mộ các bác DIY mà còn dành cho cả các thương hiệu Việt non trẻ hiện nay như Thivan,Quanghao .... cùng với sự cảm thông.
     
    Ngoc2 and qasound like this.
  20. kenzoman

    kenzoman Advanced Member

    Joined:
    13/11/08
    Messages:
    381
    Likes Received:
    623
    Location:
    Hà Nội
    Bác Gia Huy cho em hỏi dự án trên là cho DAC, vậy music server bác có hướng đi nào trong tương lại không ạ, vì hiện tại khi điều khiển con music server mà vẫn qua máy tính với laptop thì có vẻ không ổn ạ. Có khi nào giải pháp tối ưu là all in one và chỉ cần rút điện thoại ra điều khiển cả 2 thiết bị DAC và music server cùng lúc và chỉ ngồi một chỗ ko ạ ?

    Em rất ngán trong tương lai phải nghe nhạc nhưng vẫn ngồi ôm cái máy tính và liếc sang cái màn hình vừa to vừa sáng làm mất hứng khi nghe nhạc lắm :)

    Cảm ơn bác quan tâm
     
  21. chauphuong

    chauphuong Advanced Member

    Joined:
    4/4/12
    Messages:
    2.404
    Likes Received:
    1.828
    Music server của bác giahuy cài windows - foobar/jriver hay volumio thì đều điều khiển bằng điện thoại.
     
    tqv-hcm likes this.
  22. kenzoman

    kenzoman Advanced Member

    Joined:
    13/11/08
    Messages:
    381
    Likes Received:
    623
    Location:
    Hà Nội
    Các bác đã trải nghiệm nhiều cho em hỏi chân thành là music server của bác Giahuy so với Aurender N100 hoặc Sotm hay microrendu thì các giải pháp này hơn kém nhau tiêu chí nào, và theo các bác thì với ngân sách khoảng 40 triệu thì nên tìm kiếm giải pháp nào ạ ?
     
  23. qasound

    qasound Advanced Member

    Joined:
    8/8/15
    Messages:
    147
    Likes Received:
    132
    Chào bác,

    Tùy theo điều kiện chơi của mỗi người mà độ sướng khác nhau bác àh.

    Đối với đồ hãng thì người ta tích hợp đến sự tiện dụng cho người dùng bao gồm phần cứng, phần mềm, và trình điều khiển.

    Còn riêng dự MS giahuy anh em chơi là tìm tòi, khám phát thú vui computeraudiophile nên sự tiện dụng tích hợp các thiết bị và trình điều khiển cho người dùng là hạn chế. Cái này chỉ phù hợp cho các vọc sĩ nhiều hơn....

    Còn riêng chất âm thì tùy theo thính vị của nhiều người, nhưng cố gắng thu hút gây nghiện cho nhiều người càng tốt.
     
    Last edited: 1/5/18
    kenzoman, duckim and tqv-hcm like this.
  24. Ngoc2

    Ngoc2 Advanced Member

    Joined:
    21/3/17
    Messages:
    1.566
    Likes Received:
    820
    Giahuy viết: Sound Galleries SGM 2015 Music Server
    Giá : 16,000 usd
    Cấu hình kỹ thuật
    CPU: Intel Skylake i7 6700K , Viêt nam bán cỡ 9 triệ
    Mainboard Asus Z170 plus , Việt nam bán cỡ 4 triệu
    Memory: 16GB DDR4 , Việt nam bán cỡ 3 triệu
    SSD: 1TB (Can be upgraded to 2TB, 4TB @ additional cost) cỡ 13 tr5ppb stability OCXO với nguồn cấp siêu sạch
    Nguồn linear dùng Choke cho mainboard và CPU
    Nguồn xung độ nhiễu thấp cho SSD
    Dùng Tụ Mundorf Mlytic capacitors với tổng điện dung 660,000 microfarads
    Biến áp được bọc thép và chống nhiễu bằng đồng lá
    RAM hiệu suất cao với tản nhiệt nhô
    Giải nhiệt bằng ống chất lỏng cho CPU kết nối với tản nhiệt Đồng phay CNC
    Bios của máy được cài đặt đặc biệt cho CPU và Ram
    Trung224 viết:
    Bác gia huy hình như chưa tính đến tiền software ạ, gồm Audiophile Optimizer (130$, nếu mua chung 5 người rồi share key cho nhau thì rẻ), Process Lasso (37$ nhưng hiện có crack trên rutracker), Signalyst HQPlayer (155$), có thể cả windows 10 (nhưng nhà ta chắc toàn dùng crack).
    Tính ra đầu tư phần nguồn theo con này cũng khủng thật, 660000uF tụ Mundorf AG. 1 con tụ 10000uF hết khoảng 24$-31$ tùy theo điện thế, cần 66 con thế này, hết tầm 1500-2000$ rồi. Hai cục choke dùng cho mạch lọc CLC (hoặc CLCLC) cũng không rẻ. Biến áp này chắc tầm 1000 VA, nếu là loại có shield giữa sơ cấp và thứ cấp làm kiểu custom cũng ngốn tầm 200$ nữa (ở VN chắc rẻ hơn)


    Musis server giahuy hiện nay được thực hiện với tiêu trí ngon bổ, rẻ.
    Cấu hình trên làm tại Việt Nam! chắc chưa tới 1/3 giá hãng. Nếu bạn có điều kiện bạn có thể liên hệ với giahuy để đặt hẳn 1 con cấu hình phần cứng cao hơn (thế hệ 2018) + phần mềm có bản quyền chỉ có điều o đẹp như đồ hãng và phải điều khiên bằng smatphon (nếu cầu kì và có chút ham thích gia công cơ khí chắc tầm 500usd cũng có vỏ đẹp như ý)

    Viết vậy để bạn thấy đồ hãng và đồ làm tay cho người chơi Việt Nam khác biệt thế nào về giá trị/ chi phí để bạn tham khảo. Chúc bạn chọn đc đồ choi như ý:D:D:D
     
    Last edited: 1/5/18
    nvss, kenzoman and anhhung like this.
  25. giahuy

    giahuy Shop

    Joined:
    25/5/11
    Messages:
    700
    Likes Received:
    1.865
    Báo cáo tiếp việc thực hiện dự án DAC Giahuy (tạm gọi l;à Super Dac 2019) mà em đã trình bày
    Em đã thử nghiệm thành công trong việc lập trình bước 1
    Một trong các nhước điểm của DAC DSD Giahuy hiện nay cũng như DAC DCS1 2.5 mà các Bác đang DIY là khi chơi PCM(flac,wav...)và đặc biệt là các thể loại network audio như Tidal , sportify , Dac DSD Giahuy cần phải dùng phần mềm để convert từ PCM sang DSD như (foobar dsd (processor), Jriver) điều này có nhiều hạn chế , vì khi convert bằng phần mềm CPU của Music server phải chạy nhiều hơn , mà như em đã phân tích khi CPU chạy nhiều hơn Jitter và nhiễu sẽ tăng lên ảnh hưởng nhất định đến chất âm thu được cuối cùng

    Do đó cần phải loại bỏ việc convert PCM sang DSD trên MS server , MS server chỉ dùng để chơi Pure DSD hay Pure PCM thì CPU chỉ hoạt động khoảng 1-5% ( trong khi chạy các trình convert PCM DSD CPU bị trưng dụng lên đến 30%) Lúc đó tất cả các thể loại audionetwork như Tidal , sportify đều chạy trực tiếp với Dac pure DSD mà không cần qua phần mềm trung gian nào cả ( lag ít nhất và Jitter cũng ít nhất)

    Để làm được điều này có 2 giải pháp :

    1. Dùng giải pháp convert PCM to DSD bằng phần cứng ngay trong DAC DSD Giahuy , Cách này là theo trường phái của PS Audio Direct stream ( PS audio chấp nhận tất cả các định dạng vào DAC , sau đó convert tất cả thánh DSD và Lọc lại bằng các bộ FIR va Passive Filter như nguyên lý Dac pure DSD hiện nay).
    Việc này mấy anh Ba hàng xóm đã đón đầu làm mạch rời với AK4137 và bán khoảng 100USD . Tuy nhiên chất lượng tầm thường và nhiều option đã không được khai thác hết )
    Em nhất quyết không chịu lệ thuộc vào hàng xóm dù rằng việc mua bo sẽ rất nhanh và đốt cháy giai đoạn
    Trong mấy ngày lễ em đã thiết kế lập trình va thử nghiệm thành công giải pháp convert PCM to DSD ngay trong Dac DSD Giahuy với chất lượng rất tốt khi so sánh với việc convert bằng foobar hay jriver

    Đầu vào Dac DSD Giahuy : PCM từ 16bit- 44.1 KHZ đến 32 bit 384Khz , DSD 64-128 kể cả DOP 128 của các tín đố Mac , tất cả đều được convert thành DSD 64,128, 256( tùy người dùng chọn lựa) trước khi xuất qua bộ FIR ( sygnalyst) và phần xuất âm analog tube (Giahuy)
    Tuy nhiên đê phục vụ cho các tín đồ Pure DSD , có thể đặt chế độ bypass tức là DSD native-> DSD native và dĩ nhiên PCM native ->PCM native

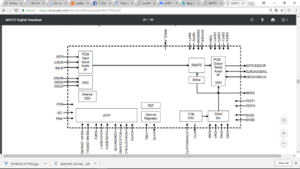
    * Sơ đồ nguyên lý convert PCM to DSD

    2. Giải pháp trong DAC có 2 DAc , 1 Dac pure DSD (chiplesss) và 1 Dac Pure PCM(R2R không dùng chip) , cái này trên thế giới hiện nay hình như chưa có hãng nào làm , tức là giải pháp tương đương việc đặt trong DAC một DAC DCS1(pure DSD) và DAc R2R Shroekris va xuất cả 2 bằng phần analog tube (giahuy)
    Giải pháp này là tối ưu nhất , tuy nhiên chi phí khá cao nếu dủng mạch Shroekris và nó cũng chỉ là vay mượn của bên ngoài theo kiểu mua bo về lắp , em không thích vì đang hướng đến 1 sản phẩm thuần Việt, do đó đã thiết kế và phát triển mạch R2r Made by Giahuy
    Mạch này dùng FGPA và các chip số để xử lý theo đúng bản chất Multibit -R2R của PCM tương tự như schoekris
    Hiện em đã lập trình FGPA xong , đang tiến hành lắp ráp thử nghiệm và công bố vê chất lượng âm thanh trong thời gian tới
     

    Attached Files:

    lionheart, dodo143, cottu and 10 others like this.

Share This Page

Loading...