Naim Nap-200

Discussion in 'Bán dẫn' started by Simple, 4/9/16.

  1. langbam

    langbam Advanced Member

    Joined:
    12/1/12
    Messages:
    1.800
    Likes Received:
    28
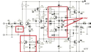
    Thiếu trở rảnh quá ngồi xem video thấy có con trở 330R trên bo tao bao ở naim nó là 33R, các cụ nghía thử hay do em bị mù màu nâu và đen nhé

     

    Attached Files:

    • naim.jpg
      naim.jpg
      File size:
      14,5 KB
      Views:
      623
  2. duyminh1984a

    duyminh1984a Advanced Member

    Joined:
    26/1/10
    Messages:
    301
    Likes Received:
    15
    3R3 anh................................
     
  3. langbam

    langbam Advanced Member

    Joined:
    12/1/12
    Messages:
    1.800
    Likes Received:
    28
    Vạch Cam Cam bạc mới 3,3R chứ chú.
    Mà chỗ này 2 con 330R nối //
     
  4. haivan9880

    haivan9880 Advanced Member

    Joined:
    7/5/06
    Messages:
    856
    Likes Received:
    70
    Location:
    Hà Nội
    Bác lắp nhanh rồi so sánh giữa 140 với 200 xem thế nào.
    Em ngó thấy có vẻ công suất nó cũng rứa cả.
     
  5. tngoctu

    tngoctu Advanced Member

    Joined:
    10/10/10
    Messages:
    2.366
    Likes Received:
    186
    Các cụ lên đời nhanh quá... em vẫn dùng ver.135 mà ko biết của háng nào :D
     
  6. langbam

    langbam Advanced Member

    Joined:
    12/1/12
    Messages:
    1.800
    Likes Received:
    28

    Nhìn mạch khác NAP 135 cụ ạ, hồi tiếp 2 con 47uf song song, trở có khác kha khá. Nó ko phải là mạch này
     

    Attached Files:

  7. tngoctu

    tngoctu Advanced Member

    Joined:
    10/10/10
    Messages:
    2.366
    Likes Received:
    186
    Con tụ 330p đi với 22K thay 470p đi với 27K để làm lợi dãi trên cho input thôi mờ, thay bằng con 220p thì tiếng còn loảng xoảng hơn. Phần hồi tiếp thì muốn lắp bao nhiêu chả được, vấn đề là chỗ này tụ càng to thì e rằng nghe ko nổi. Em lắp mới có 47uF mà phải giảm xuống còn 33uF để đỡ mệt. Xem ra các cụ chắc thiếu thốn về dãi trầm nên nghiện :D
     
  8. langbam

    langbam Advanced Member

    Joined:
    12/1/12
    Messages:
    1.800
    Likes Received:
    28

    Em thì ko rõ vụ mạch, chỉ nghĩ đơn giản đời sau phải ngon hơn đời trước :lol:

    Em thấy có NAC 152 ở taobao chơi bjt và trở dán. Giá 450K tính múc về nghe thử :oops:
     
  9. tngoctu

    tngoctu Advanced Member

    Joined:
    10/10/10
    Messages:
    2.366
    Likes Received:
    186
    Em ko sure vụ này lắm, ver sau hơn ver trước có vẻ nghe đúng nhưng mà ngay cả mấy hãng công nghệ lớn cũng dính đòn mãi đó cụ. Ví dụ khập khiễn như Microsoft nó ra Vista nhưng ko ăn nổi Win98 để rồi phải tới Win7 người dùng mới cảm thấy ổn, đến Win10 thì em thấy tốc độ còn chậm chạp hơn ver7 dù rằng hãng PR rất nhiều cho nó. Nồi nào úp vung nấy có lẽ đúng trong trường hợp này, phải có phần cứng đủ mạnh thì mới theo được.

    Trong lĩnh vực âm thanh thì như hãng Pioneer, Sansui,... danh tiếng cũng phải mai một vì ver sau ko có cửa với ver trước, kaaaaa :D
    Riêng hãng Naim em có theo dõi liên tục các dòng amp đời sau, phải nói trừ những con flagship quá khủng chưa bao giờ được tận mục sở thị thì dòng entry level có lẽ ko đáng để người dùng đổi máy.

    Diy amply bán dẫn hay đèn thì đầu tư mạnh cho bộ nguồn sẽ có kết quả tốt. Cơ mà nếu cụ có điều kiện trãi nghiệm nhiều cũng tốt, riêng em thì chỉ dồn lực để tập trung đầu tư những cái em đã có. Thanks.
     
  10. langbam

    langbam Advanced Member

    Joined:
    12/1/12
    Messages:
    1.800
    Likes Received:
    28
    Em quan niệm theo xe máy cụ ợ, càng đời sau chạy càng ngọt :lol:

    Nghịch cái này là cách xả stress của em thôi cụ, nhiều lúc nghe chán chả biết mình đang thích gì nữa.
    Cụ có thể tư vấn vài loại tụ nguồn nào nên dùng :mrgreen:
     
    timun001 likes this.
  11. tngoctu

    tngoctu Advanced Member

    Joined:
    10/10/10
    Messages:
    2.366
    Likes Received:
    186
    Cụ chơi toàn đồ khủng mà còn bảo em tư vấn... :mrgreen:
    Tình hình chỗ đỏ đỏ em thấy hỏng ổn tẹo nào, kaaaaaa Giống em lúc trước một thời gian cũng bị vậy, em nghĩ hẳn hơn một năm ko đụng đến bất kỳ cái gì, bỏ hẳn nghe nhạc chuyển sang mê ... món khác. Đến lúc quay lại tự nhiên hứng thú lại thôi. Thanks.
     
  12. Simple

    Simple Advanced Member

    Joined:
    2/5/11
    Messages:
    1.163
    Likes Received:
    59
    Tình hình là rất tình hình.
    Phần nguồn thì E đang đi nhờ quyền trợ giúp cho cục nguồn xuyến đạt chuẩn.
    Bo mạch này cũng thấy gọn gàng, có thể show ruột gan nếu thi công ngăn nắp.
    AE có sưu tầm được mẫu thiết kế nào trong suốt - mặt trước và sau là kim loại xin show lên tham khảo với.
     
  13. langbam

    langbam Advanced Member

    Joined:
    12/1/12
    Messages:
    1.800
    Likes Received:
    28
    Làm thế dòm cải lương lắm bác ơi, làm quả nhôm ngon thì anode ko thì sơn tĩnh điện nhám dòm cho giống háng

    Hqua đóng điện khói lửa mịt mùng em 68R thì ra nó phải quay ngược lại so với ký hiệu mà mình chủ quan ko dò :(
     
  14. Simple

    Simple Advanced Member

    Joined:
    2/5/11
    Messages:
    1.163
    Likes Received:
    59
    Chỗ nào quay ngược lại vậy bác langbam?
     
  15. langbam

    langbam Advanced Member

    Joined:
    12/1/12
    Messages:
    1.800
    Likes Received:
    28
    CHỗ này bác nhé, mặt có chữ ztx bác quay về phía kí hiệu tròn của transitor, MPSA 18 bác thay bằng BC 239C thì quay ngược lại với ký hiệu
     

    Attached Files:

    timun001 likes this.
  16. langbam

    langbam Advanced Member

    Joined:
    12/1/12
    Messages:
    1.800
    Likes Received:
    28
    Bẩm các kụ, em nó đã hót. Khuya quá ko dám viu lâu sợ vợ đánh :lol:
     

    Attached Files:

  17. Simple

    Simple Advanced Member

    Joined:
    2/5/11
    Messages:
    1.163
    Likes Received:
    59
    Không trở ngại gì thêm phải không bác.
    Mà sao test với tản nhiệt nhỏ quá vậy?
     
  18. langbam

    langbam Advanced Member

    Joined:
    12/1/12
    Messages:
    1.800
    Likes Received:
    28
    có cụ ạ 1 kênh bias ko chỉnh dc 2 đêm mò cũng hót :(

    em để 8mV mà hát mấy bài ko nóng, hnay e chỉnh thêm tý. Tại toàn test khuya nên dc tý phải nghỉ :(
     
  19. vducuy

    vducuy Advanced Member

    Joined:
    13/10/06
    Messages:
    4.429
    Likes Received:
    8
    Tình hình là 2 cụ làm rồi cho xin cái ý kiến nên để nguyên board bự thế này hay chỉ copy lấy phần công suất thôi cho board nó rẻ nhỉ?
     

    Attached Files:

  20. duyminh1984a

    duyminh1984a Advanced Member

    Joined:
    26/1/10
    Messages:
    301
    Likes Received:
    15
    Quá nhanh,quá nguy hiểm.... Kkkkk hóng
     
  21. mimosalq

    mimosalq Advanced Member

    Joined:
    8/5/06
    Messages:
    12.824
    Likes Received:
    122
    cái topo mạch từ thời Hit le ở truồng đến giờ nó vẫn cò thịnh,cũng lạ.Âm thanh của nó lạ lắm,dễ gây nghiện.Thật ra mạch dễ nhưng làm cho ra hồn cũng khó phết.Mấu chốt là linh kiện,nhất là tụ nguồn.
     
  22. Simple

    Simple Advanced Member

    Joined:
    2/5/11
    Messages:
    1.163
    Likes Received:
    59
    Chơi Monoblock cho dễ tuỳ cơ ứng biến đi bác Vducuy.
     
  23. khanh_viet68

    khanh_viet68 Approved Member

    Joined:
    10/7/07
    Messages:
    10
    Likes Received:
    1
    Location:
    Ho Chi Minh City
    Chơi Monoblock thế này được không ạ.
     

    Attached Files:

  24. langbam

    langbam Advanced Member

    Joined:
    12/1/12
    Messages:
    1.800
    Likes Received:
    28

    Đang khốn khổ chỗ cái nguồn, biến áp thì to cái bo cũng to chưa biết nhét vào như thế nào
    Theo xxx ý của mình là bỏ cái nguồn đi 2 kênh làm cái đường cưa sẵn ai thích thì để ko thích bẻ ra làm mono :mrgreen:
    Lỗ cắm linh kiện nên cho to như taobao tháo ráp ít hỏng mạch
     
    timun001 likes this.
  25. vducuy

    vducuy Advanced Member

    Joined:
    13/10/06
    Messages:
    4.429
    Likes Received:
    8
    Ok. vậy thống nhất cái phương án, về phần chất lượng board thì tháo mỏi tay cũng ko tróc nổi đâu :lol: :lol:
     

Share This Page

Loading...