Nơi trao đổi và cần giúp đỡ về linh kiện DIY

Discussion in 'Linh kiện, dụng cụ DIY' started by manh_cuomg_123, 1/1/02.

  1. nghenhinhs1

    nghenhinhs1 Advanced Member

    Joined:
    26/2/10
    Messages:
    3.576
    Likes Received:
    22
    Re: Nơi trao đổi và cần giúp đỡ về linh kiện DIY

    Sang phomuabn mò xem, em thấy bên đó có bác bán linh kiện tháo máy nhiều chủng loại lắm
     
  2. thuanphongdongnai

    thuanphongdongnai Advanced Member

    Joined:
    7/4/13
    Messages:
    207
    Likes Received:
    4
    Re: Nơi trao đổi và cần giúp đỡ về linh kiện DIY

    Chào bạn HUNGDANH tôi xin góp ý với bạn về vấn đề của bạn như sau: Nếu bạn muốn có dòng lớn hơn 350ma và ổn áp ở 6,3v , bạn dùng hai bộ 8,5vDC/350mA đấu // thông qua hai con DIOD để chống ngươc,sau đó bạn cho qua bộ ổn áp 6,3v theo tôi là OK bạn cứ làm thử xem,chúc bạn thành công! bạn nhớ là đầu vào của bộ 8,5vDC/350mA cũng phải trùng nhau khi đấu // .
     
  3. toangtg83

    toangtg83 Advanced Member

    Joined:
    30/3/14
    Messages:
    67
    Likes Received:
    1
    Re: Nơi trao đổi và cần giúp đỡ về linh kiện DIY

    em chào các bác,em là lính mới ra nhập thành viên.chả là em mới kiếm được đôi loa nhật pioneer cs88 trơn.em nó đã trải qua bao năm tháng rồi nay em muốn thây lại ruột gan.nhưng không biết thây tụ nào cho hợp và nghe hay.sở trường của em là nhạc vàng.nay em tham ra diễn đàn muốn hỏi các tiền bối xem nên thay loại tụ nào ạ.em xin ý kiến của các tiền bối ạ,
     
  4. HHK

    HHK Advanced Member

    Joined:
    5/6/10
    Messages:
    643
    Likes Received:
    85
    Location:
    Between heaven and hell
    Re: Nơi trao đổi và cần giúp đỡ về linh kiện DIY

    bác up hình phân tần đi cho mọi người dễ bề tư vấn
     
  5. toangtg83

    toangtg83 Advanced Member

    Joined:
    30/3/14
    Messages:
    67
    Likes Received:
    1
    Re: Nơi trao đổi và cần giúp đỡ về linh kiện DIY

    vâng thế thì em gửi cái Crossovers pioneer cs88 lên đây các bác xem giúp em với được không ạ.các bác có thể tư vấn cho em xem nên thay tụ nào là hợp lý nhất ạ.vì tụ của em hong hết rùi.em xin cảm ơn trước.
     

    Attached Files:

  6. toangtg83

    toangtg83 Advanced Member

    Joined:
    30/3/14
    Messages:
    67
    Likes Received:
    1
    Re: Nơi trao đổi và cần giúp đỡ về linh kiện DIY

    vâng thế thì em gửi cái Crossovers pioneer cs88 lên đây các bác xem giúp em với được không ạ.các bác có thể tư vấn cho em xem nên thay tụ nào là hợp lý nhất ạ.vì tụ của em hong hết rùi.em xin cảm ơn trước.
     

    Attached Files:

  7. toangtg83

    toangtg83 Advanced Member

    Joined:
    30/3/14
    Messages:
    67
    Likes Received:
    1
    Re: Nơi trao đổi và cần giúp đỡ về linh kiện DIY

    tụ co trị số là 50.30.15.5.2,4 tụ này có 25v thôi ạ.em xin ý kiến là lắp tụ nào bao nhiêu von ạ.và bao nhiêu mf ạ.
     
  8. rock0em_h_x

    rock0em_h_x Advanced Member

    Joined:
    25/1/11
    Messages:
    2.009
    Likes Received:
    111
    Location:
    Hà Tĩnh - Nghệ An
    Re: Nơi trao đổi và cần giúp đỡ về linh kiện DIY

    Em ko rành về vụ phân tần lắm, nhưng em cứ nói bậy nói đại thế này: Bác phải cho anh em biết đc ... vợ nhà bác là người như thế nào đã chứ! :lol:
    ý em là chị nhà có hào phóng để bác rút hầu bao cho bác xuống tay mua tụ về lắp hay ko?
    Nếu mà Jensen thì mớ tụ đó của bác thay cũng ngót nghét hết vài triệu, còn nếu rẻ hơn tý thì có solen,
    Còn muốn ngon bổ rẻ hơn nữa thì em thấy có SRC.

    Em cũng đang tính kiếm ít tụ SRC về thay mấy con tuổi đời hơn cả tuồi em ở trong cặp loa cỏ úa nhà mình nhưng mà đang lười :lol:
     
  9. toangtg83

    toangtg83 Advanced Member

    Joined:
    30/3/14
    Messages:
    67
    Likes Received:
    1
    Re: Nơi trao đổi và cần giúp đỡ về linh kiện DIY

    em chỉ có thể mở hầu bao khoảng 1triệu một vế.hai vế khoảng 2triệu cho mấy em tụ đó.mong các bác chọn giúp em được không ạ.như thế đã nhiều hay ít quá không ạ.vì loa của em không thể độ hơn được nữa loa nhực thì chỉ độ vậy thui bác nhể.em xin cám ơn
     
  10. lenamit

    lenamit Advanced Member

    Joined:
    1/6/08
    Messages:
    2.444
    Likes Received:
    11
    Location:
    Có nắng , có gió , không có cái đó
    Re: Nơi trao đổi và cần giúp đỡ về linh kiện DIY

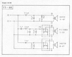
    Bác tham khảo sơ đồ dưới để biết trị số đúng mà tìm thay nâng cấp cho Cs88 của bác
    nếu khó tìm có tu cùng trị số bác có thể chỉ cần thay:
    15uf , 5uf cho loa Mid ranger và 2.4 uf cho tweeter là đã khá hơn rồi không cần mua tụ quá đắt tiền cho dòng loa này , bác có thể dùng tụ dầu Nga , NP Rifa hay Tesla có áp làm việc 63v>100V
    tụ nguyên bản là tụ hóa NP (nonpolar) tuổi hơn 50 năm nên khả năng mất trị số , rò là rất cao , có thể dùng tụ NP cùng trị số và áp thì cao hơn vẫn ok .
    chúc bác thành công
     

    Attached Files:

  11. toangtg83

    toangtg83 Advanced Member

    Joined:
    30/3/14
    Messages:
    67
    Likes Received:
    1
    Re: Nơi trao đổi và cần giúp đỡ về linh kiện DIY

    em xin chân thành cảm ơn bác lenamit đã cho em lời khuyên rất bổ ích.loa này đã cổ rồi mà bán đi thì không được bao nhiêu nên em để nghe nhạc vàng cũng tạm được nay tuổi thọ đã cao rồi em định nâng cấp phân tần mà loay hoay không biết hỏi ai đã chơi loa nay rồi.chỉ biết là nên diễn đàn hỏi các tiền bối là chuẩn xác nhất.em xin chân thành cảm ơn những lời khuyên bổ ích của các bác.
     
  12. anhtuanhpqn

    anhtuanhpqn Advanced Member

    Joined:
    30/9/10
    Messages:
    3.034
    Likes Received:
    4
    Location:
    Đệ tứ chiến khu.
    Re: Nơi trao đổi và cần giúp đỡ về linh kiện DIY

    Bác nào biết chỗ bán mua giúp em mấy con Led LUXEON CREE Q5 với ạ. em cần 3 con 10W, 3 con 5W.
     
  13. HaChu

    HaChu Advanced Member

    Joined:
    19/8/08
    Messages:
    3.407
    Likes Received:
    81
    Location:
    Bia Bà - Văn khê - Hà Đông
    Re: Nơi trao đổi và cần giúp đỡ về linh kiện DIY

    Bác nào có dư PCB audionote L1 không nhỉ để lại cho em nhé !
     
  14. thedeath0212

    thedeath0212 Approved Member

    Joined:
    24/2/13
    Messages:
    19
    Likes Received:
    0
    Re: Nơi trao đổi và cần giúp đỡ về linh kiện DIY

    Có cặp đèn Sovtek 5881/6L6wgc ông anh đem về cho, mà đó giờ diy bán dẫn chưa chơi đèn bao giờ, ae nào cần mình để 200k/ 1 cặp :D LH: 0989991023

    [​IMG]
     
  15. ilkafrv

    ilkafrv Advanced Member

    Joined:
    20/5/12
    Messages:
    108
    Likes Received:
    0
    Re: Nơi trao đổi và cần giúp đỡ về linh kiện DIY

    Có bác nào có thừa 4 con trở dây cuốn 0.1Ohm 10W không ạ. Mình đang cần quá ...
     
  16. kimman123

    kimman123 Advanced Member

    Joined:
    25/4/13
    Messages:
    80
    Likes Received:
    0
    Re: Nơi trao đổi và cần giúp đỡ về linh kiện DIY

    bên DNA shop có bán đó bác
     
  17. ilkafrv

    ilkafrv Advanced Member

    Joined:
    20/5/12
    Messages:
    108
    Likes Received:
    0
    Re: Nơi trao đổi và cần giúp đỡ về linh kiện DIY

    10W thì bên đấy có nhưng không đúng giá trị.
     
  18. baobaodn

    baobaodn New Member

    Joined:
    14/2/14
    Messages:
    3
    Likes Received:
    0
    Re: Nơi trao đổi và cần giúp đỡ về linh kiện DIY

    Các bác cho em hỏi ? Có ai có cục chock 2H 100mA, 175ohms nào không ạ.
     
  19. kimman123

    kimman123 Advanced Member

    Joined:
    25/4/13
    Messages:
    80
    Likes Received:
    0
    Re: Nơi trao đổi và cần giúp đỡ về linh kiện DIY

    oh, hôm bữa em có thấy còn bán :wink:
    anh qua bên stav xem, bên đó cũng nhiều hàng lắm đó :lol:
     
  20. lengkeng

    lengkeng Advanced Member

    Joined:
    31/10/06
    Messages:
    1.338
    Likes Received:
    17
    Location:
    Biên Hoà Đồng Nai
    Re: Nơi trao đổi và cần giúp đỡ về linh kiện DIY

    Mua 2 con 0.22R 5W ghép // lại cho nhanh cần gì phải mua đúng loại.
     
  21. AGC

    AGC Advanced Member

    Joined:
    21/5/10
    Messages:
    3.582
    Likes Received:
    36
    Location:
    343 Minh Khai - Hà Nội
    Re: Nơi trao đổi và cần giúp đỡ về linh kiện DIY

    Em cần 1 cặp bóng 6H6P-I, bác nào có để lại cho em hoặc biết chỗ nào bán thì chỉ giúp cho em
     
  22. vancao

    vancao Advanced Member

    Joined:
    23/4/08
    Messages:
    648
    Likes Received:
    10
    Re: Nơi trao đổi và cần giúp đỡ về linh kiện DIY

    Bác qua hỏi bác VQ bên Bang KK, KL hay TC gì đó ah. Hình như còn đôi cặp đã đo cân cả 4 nửa
     
  23. AGC

    AGC Advanced Member

    Joined:
    21/5/10
    Messages:
    3.582
    Likes Received:
    36
    Location:
    343 Minh Khai - Hà Nội
    Re: Nơi trao đổi và cần giúp đỡ về linh kiện DIY

    Em lang thang bên KL và TC rồi nhưng đều lắc đâu nên phải lên đây hỏi tiếp :D
     
  24. VQ_audio

    VQ_audio Advanced Member

    Joined:
    13/7/06
    Messages:
    9.261
    Likes Received:
    28
    Re: Nơi trao đổi và cần giúp đỡ về linh kiện DIY

    À có kụ vancao đây có khả năng xông xáo chỗ nhà Nội thành có cơ phò đc A đẩu :mrgreen:
     
  25. AGC

    AGC Advanced Member

    Joined:
    21/5/10
    Messages:
    3.582
    Likes Received:
    36
    Location:
    343 Minh Khai - Hà Nội
    Re: Nơi trao đổi và cần giúp đỡ về linh kiện DIY

    Không biết cụ vancao có giúp đỡ hộ được em không :D
     

Share This Page

Loading...