Mod. đầu CD từ ABC

Discussion in 'Thiết bị số' started by Aries, 18/1/06.

  1. tran minh phuong

    tran minh phuong Advanced Member

    Joined:
    18/1/14
    Messages:
    2.011
    Likes Received:
    791
    Khả năng ko phải của liên xô vì toàn chữ la tinh, tay bán đế này nói hàng quân sự .
    Em chẳng hiểu sao con sony này lại vậy ic tda 1541 ko có lô gô philip hay là tất cả 750 đều vậy. Máy này em mua của người thu mua ve chai và kinh nghiệm nhìn ruột máy thì còn nguyên bản, vì một khi đã thay tda thì ko thể ko để lại dấu vết( lượng chì hàn sẽ nhiều hơn hãng họ phun, nhúng và mới hơn hoặc ko bóng)
    Tránh khoét gần tda cái này em ko hiểu . Hay sợ đèn làm nhiễu tda.
     
  2. Maidanhan

    Maidanhan Advanced Member

    Joined:
    14/3/06
    Messages:
    3.722
    Likes Received:
    1.146
    1. Tất cả 750 đều khg có TDA1541, ít nhất đến lúc này vì tôi cũng tính tìm 1 chú 750 để bóc DAC Philip mà ACE chợ Sắt chưa giúp đc. Còn tài sản trên mạng " thế giới " có thể có :p:p:p. Khg khéo lại có 1 ai đó chụp ảnh gần con TDA 1541 Logo Phillip rồi nói " Ví dụ hùng hồn về CDP SONY 750 dùng TDA1541 của Philip ... " thì ngại lắm, ảnh nó khg tự thanh minh được :p:p:p;
    2. Của Mỹ rồi, đế cũ của Nhật Bakenit màu đen, nhìn bẩn thỉu;
    3.Tránh TDA 1541 vì đèn áp cao, sơ xẩy dính vào TDA1541 có 5V thành chuyện khg hay.
     
  3. Maidanhan

    Maidanhan Advanced Member

    Joined:
    14/3/06
    Messages:
    3.722
    Likes Received:
    1.146
    Mà hình như bác có cái CDP kenwood cửa giữa ? Bác xem hộ nó dùng DAC PCM56 phải khg? Loại của giữa mode thích lắm, không gian nhiều.
     
  4. tran minh phuong

    tran minh phuong Advanced Member

    Joined:
    18/1/14
    Messages:
    2.011
    Likes Received:
    791
    Con này dùng hai chíp dac 1701p chíp này nghe khá chi tiết tiếng mỏng khô. Máy chia làm hai vỉ mạch thiết kế phức tạp linh kiện khá tụ nguồn opam cerafim tụ xuất âm cerafim phần nguồn làm khá cẩn thận biến thế to ổn áp nóng, nghe nhạc lời thì có vẻ thiếu tình cảm . Bỏ phần lọc nhiễu nguồn điện tiếng thoát hơn nhưng cũng ko mấy khả quan vì opam loại kém 4560d tụ xuất hơi nhỏ 22uf. Thích nhất là mắt kss210 dễ thay, em mua lâu rồi nhưng để ít dùng ( trước kia ko để ý việc mod cdp) mua dự phòng vì đang dùng con x55es nhưng con này mà hỏng mắt thì cũng mệt mỏi vì mắt kss151 khó thay.
    Hai vỉ mạch hai bên nên sóng mang phải đi qua bằng sợi cab khá dài chắc cũng bị ảnh hưởng phần nào. Hộp máy tuy to nhưng bên trong làm gì còn chỗ nào trống đâu bác.
     
  5. Maidanhan

    Maidanhan Advanced Member

    Joined:
    14/3/06
    Messages:
    3.722
    Likes Received:
    1.146
    Nếu vậy con này dùng DAC xuất áp, khg hâm mộ xuất lắm.
    Mắt 210 nay để phòng cho 750 :p
     
  6. tran minh phuong

    tran minh phuong Advanced Member

    Joined:
    18/1/14
    Messages:
    2.011
    Likes Received:
    791
    Xuất tube đưa vô ampli bán dẫn liệu có nghe như ampli tube ko bác ( em đang dùng luxman 540) loa em hơi nặng đánh nên 84 pp có vẻ đuối hơn nữa tiếng luxman cũng mềm nên 84 pp để lâu rồi ko dùng, định mua thêm cặp loa nhẹ đánh chút.Nay biết mod cdp rồi thì cuộc chơi thêm xán lạn và đỡ tốn kém. Hồi hộp, chắc tuần nữa mới xong.
     
  7. Maidanhan

    Maidanhan Advanced Member

    Joined:
    14/3/06
    Messages:
    3.722
    Likes Received:
    1.146
    Cái này là cảm nhận, mô tả bằng lời khó nhưng sự khác biệt là có, cảm nhận thế nào là do cá nhận bác ạ.
    Đỡ tốn thì hẳn là vậy, cái CD đèn Einstein tôi lấy hộ 1 Chief lớn cách đây 3 năm là 70 triệu, hàng từ Đức về, cũng chỉ có 2 đèn ECC88.
    Sau DAC tại 6 và 23 lúc này là tín hiệu Analog nguyên thủy Nhất và tube là loại linh kiện tuyến tính nhất trg TUBE, FET, BIPOLAR.... thế là tạm ổn.
     
  8. tran minh phuong

    tran minh phuong Advanced Member

    Joined:
    18/1/14
    Messages:
    2.011
    Likes Received:
    791
    IMAG1502_copy_800x450.jpg Để ko phụ lòng bác đã tặng đèn còn wá nhiệt tình tư vấn em đã kiếm thêm cục to cho cao áp và cục nhỏ cho đốt tim. Làm cho nó ra trò người nhớn, được cái bà xã cũng chiều nên giờ tới tết chắc cũng xong. Em định nắn đèn lun cho nó đẳng cấp và nhờ bác tính giúp dòng, áp đốt tim luôn cho cả 4 đèn ( 1 nắn 3 khuyếch đại) để khỏi hụt công suất. Em có sẵn đèn ez81 ạ.
     
    chuvanvu likes this.
  9. chuvanvu

    chuvanvu Advanced Member

    Joined:
    12/1/17
    Messages:
    695
    Likes Received:
    602
  10. oneclicklogin

    oneclicklogin Advanced Member

    Joined:
    18/12/12
    Messages:
    1.207
    Likes Received:
    902
  11. tran minh phuong

    tran minh phuong Advanced Member

    Joined:
    18/1/14
    Messages:
    2.011
    Likes Received:
    791
    Mình cũng ko có chuyên môn như bác thui nhưng đam mê , việc cấp nguồn cho phần digital mang lại hiệu quả rõ rệt nhưng chưa hẳn sạch đã hay thì cái này em ko hiểu, vì khi dùng acqqui cấp cho ic 7805 thì sẽ sạch hơn điện từ biến áp khi đó nền âm tĩnh hơn chi tiết tăng và kèm theo tiếng bị khô lạnh ko có hồn. Ví dụ như nghe tiếng đàn khúc chiết nhưng tắt rất nhanh cái vụ này em em ko thích nên lại nắn lọc.
    Để lúc nào có thời gian em sẽ thử các phương án khác, cuộc chơi còn dài, cuộc sống không thể thiếu đam mê.
     
    chuvanvu likes this.
  12. tran minh phuong

    tran minh phuong Advanced Member

    Joined:
    18/1/14
    Messages:
    2.011
    Likes Received:
    791
  13. Maidanhan

    Maidanhan Advanced Member

    Joined:
    14/3/06
    Messages:
    3.722
    Likes Received:
    1.146
    OK
    Để tôi tính toàn bộ các cụm nguồn liên quan cả tube và phần nguồn cho 750 hiện nay cùng các nguồn 5VDC bác đang đưa thêm vao làm 1. Nhìn bộ FE trên, thừa sức 150VA. Dòng tube cùng lắm là 40mA chế độ tĩnh cho 3 đèn, phần diode lazer cho KSS210 có bias 70mA, toàn bộ Spindle, Sled motor cùng lắm hết 120mA
    Tôi sẽ vẽ mạch nắn Hybrit tube diode để tăng dòng cung lại dễ làm, khg phải quấn CT.
    Bố tôi đang ở viện, chưa có hạt cơm nào vào bụng từ trưa qua, toàn ăn khoai và trứng luộc cho lành :p:p:p. Bác chờ chút nhé.
     
    tran minh phuong likes this.
  14. tran minh phuong

    tran minh phuong Advanced Member

    Joined:
    18/1/14
    Messages:
    2.011
    Likes Received:
    791
    Có gì mà vội đâu bác, khi mình cũng đã lớn thì cha mẹ cũng đã già và kéo theo... Mấy nay thời tiết lạnh trong này còn lạnh huống gì ngoài bắc. Chỗ em có hôm buổi đêm nhiệt độ xuống 16 độ.
     
  15. Maidanhan

    Maidanhan Advanced Member

    Joined:
    14/3/06
    Messages:
    3.722
    Likes Received:
    1.146
    upload_2021-1-22_9-6-32.png

    Bác xem hình nhé:
    1. Cuộn cho cao áp chỗ khoanh ô vuông, U1 tính như sa, Lấy giá trị áp DC tôi ghi trong bản vẽ làm chuẩn ( ví dụ là 210 VDC ):
    U1= [(210/1.33) + (25 or 30 )] với 25 hay 30 hoặc hơn là do đèn Val mới hay cũ cho mạch Pre.
    2. Cuộn N2 là 5VAC 2A cho dòng Val có ký hiệu 5 ở đầu là 6VAC cho dòng Val có ký hiệu 6 ở đầu ( Dây to hơn 2A càng tốt ).
    3. Cuộn N3 0-8.5VAC dây 0.5mm, số cuộn N3 phụ thuộc số cuộn 5VDC bác đang dùng và tính dùng thêm ( Một cuộn này danh định 0.5A max )
    4. Cuộn N4 0-4.2 VAC dây 0.25mm cho Quazrt Heater ( 03mm càng tốt )
    5. Cuộn N5 0-32 VAC dây 0.2-03mm cho cao áp Quartz
    6. Cuộn N6 6.5- 0-6.5VAC dây 0.5mm to hơn càng tốt vì nó cấp nguồn đối xứng +-9 và +-5VDC cho mạch Digital, mạch driv Spidle, Sled Motor
    7. Biến áp trên thừa của sổ cho cuộn 6.3 VAC 5A dành cho sợi đốt tube mà tôi khg vẽ.
    Về lý thuyết, công suất DC cho toàn bộ hệ máy khiển 750 chỉ từ 5-7W ( kể cả motor ). Bộ lõi FE trên quá dư giả để bác trang bị cho tất cả mọi nguồn độc lập.
    Khi lăp mạch tube xong, 1 đầu cuộn 6.3VAC nối về mazz nơi nắn Val diode luôn để xử lý Ù.
    Bác @LoD thông cảm, tôi bận quá, chưa tìm đc cái mạch OTL dùng tụ cho 6C19, chụp nguyên ảnh mạch đã làm đến bác ( từ 2004 ). Mach này đánh loa TANNOY 611 rầm rầm.
     
    Last edited: 22/1/21
  16. tran minh phuong

    tran minh phuong Advanced Member

    Joined:
    18/1/14
    Messages:
    2.011
    Likes Received:
    791
    Em sẽ cố gắng quấn theo tiêu chí bác đặt ra , nhưng cận ngày rồi nên thời gian rất hẹp chỉ tranh thủ nuôi đam mê thôi chứ ko hoàn thành nhiệm zụ thì gấu nó cho ra sân mà ngủ với loa đài. Năm ngoái 29 tết bê loa bị sút lưng đã bị gấu cấm ko cho mod loa hết mấy tháng.
     
  17. Maidanhan

    Maidanhan Advanced Member

    Joined:
    14/3/06
    Messages:
    3.722
    Likes Received:
    1.146
    Tôi bê cái AKAI sút lưng tư 2018 giờ vẫn đau khi lạnh về. Treo xà và lăng xà thôi.
    Quấn thì dễ, đấu vào cần theo thứ tự:
    1. Cuộn N4 0-4.2 VAC dây 0.25mm cho Quazrt Heater đầu tiên ( Nhả cuộn 4.2 cũ )
    2. Cuộn N5 0-32 VAC dây 0.2-03mm cho cao áp Quartz thứ 2 sau khi Nhả cuộn 32 VAC cũ
    3. Cuộn N6 6.5- 0-6.5VAC dây 0.5mm to cho cấp nguồn đối xứng +-9 và +-5VDC cho mạch Digital, mạch driv Spidle, Sled Motor sau khi Nhả cuộn đối xứng VAC cũ.
    4. Cuộn N3 0-8.5VAC dây 0.5mm, số cuộn N3 phụ thuộc số cuộn 5VDC bác đang dùng và tính dùng thêm ( Cụm này bác chỉ việc thay thế sau cầu nắn cho các nhóm 5VDC bác đã thay thế )
    Sau khi thay 3 cuộn này máy chạy rồi, bác làm gì thì hãy làm. Nôm na là máy CDP phải hoạt động trc
     
  18. tran minh phuong

    tran minh phuong Advanced Member

    Joined:
    18/1/14
    Messages:
    2.011
    Likes Received:
    791
    Quấn chắc ko khó nhưng bảo đảm sai số trong phạm vi nguồn điện có trồi sụt là việc ko dễ bác ạ. Lại còn làm sao để tăng cao áp mấy ngày đầu để chạy rà bóng( như bác dạy) chắc phải hết tuần mới xong.
     
  19. Maidanhan

    Maidanhan Advanced Member

    Joined:
    14/3/06
    Messages:
    3.722
    Likes Received:
    1.146
    Bác đấu tắt Choke hay con trở sụt áp kia vào sau tải Ra của tube là sinh ra quá ché độ DC ngay.
    Các nguồn 5VDC bác đều qua 7805 từ cầu diode 12VDC có tụ nắn, cuộn dây GỐC lớn, lõi sắt lớn, hoàn toàn yên tâm về chồi sụt
     
  20. chuvanvu

    chuvanvu Advanced Member

    Joined:
    12/1/17
    Messages:
    695
    Likes Received:
    602
    chắc em cũng phải đi mua cd và nghịch (cày xới) con cdp cỏ.

    nguồn phát nhạc trước giờ em dùng raspberry pi, dac hat i2s vào preamp fx tube 03 (bóng ge 5654) rồi qua amply.

    với pi và preamp cũng mod nguồn, thay tùm lum, thay os mà giờ em mới thấy nó sát với chất lượng cdp (nghe khó phân biệt), trước kia pi kém độ động hơn. cd em có đúng 1 đĩa thường, em so sánh bài của Quang Lê, file flac cũng 44kHz.

    mấy mạch sbc chạy cpu ở tần số rất cao kèm theo thường gây nhiễu (tất nhiên không nghe được).

    với pi thì flac cao hơn hoặc dsd64, dsd128 thì chi tiết hơn nhiều cdp. và nhạc số rất tiện dụng, nguồn nhạc đa dạng, phong phú...

    em có bị đi ngược không nhỉ? các bác có điều kiện thì lại quay lại cối với băng. :)
     
  21. tran minh phuong

    tran minh phuong Advanced Member

    Joined:
    18/1/14
    Messages:
    2.011
    Likes Received:
    791
    Vấn đề ko phải cứ mod là nghe hay hơn mà nó hàm chứa bạn làm chủ được âm thanh, người chơi âm thanh sẵn sàng bỏ ra số tiền rất lớn để khắc phục một điều rất nhỏ trong hệ thống mà họ đang sở hữu. Vậy nên nhiều bác mới mất ăn mất ngủ vì diy- mod, chứ ko thì chỉ cần bỏ tiền ra nâng cấp cdp là có thể ổn.
    Hôm qua lại kiếm được mớ tụ tantalum với IMAG1504_copy_800x450.jpg silver mica về bổ dưỡng cho cdp đây. Từ rất lâu người ta đã biết loại này tốt nên bácc thợ này giữ lại chắc hồi đó để mod radio giờ gìa rồi nên để lại cho em.
     
    chuvanvu likes this.
  22. tran minh phuong

    tran minh phuong Advanced Member

    Joined:
    18/1/14
    Messages:
    2.011
    Likes Received:
    791
    Cập nhật tiến độ mod xuất âm đèn cho sony 750.
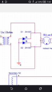
    To bác Maidanhan, em đã quấn xong biến áp nhưng thú thật trên sơ đồ bác cho em cũng chưa hiểu cho lắm nhất là hai con diod phát quang phần nữa chỗ em mua hai con này ko có nên em quấn rút giữa (CT) cho chắc ăn.
    Quấn xong đo được 225-0-225vac. Đốt tim 6,5vac.
    Trong sơ đồ mạch bác cho ghi cao áp là 256vdc. Ko biết quấn như vầy có ổn ko. Screenshot_2021-01-25-07-32-17_copy_600x1067.png
     
    chuvanvu likes this.
  23. tran minh phuong

    tran minh phuong Advanced Member

    Joined:
    18/1/14
    Messages:
    2.011
    Likes Received:
    791
    Trên sơ đồ mạch là 6C4P mà đèn bác tặng lại 6C3P- có sai khác gì về mạch điên ko ạ.
    Đèn 6H6P khi chia làm hai kênh thì ta sẽ phải dùng hai con trở 2k cho anốt hai con trở 5,6k cho katốt cùng với hai con tụ 2uf nối tiếp với trở 100k xuống mass.
    Em bên cơ khí nên lĩnh vực điện kém wá mong bác hiểu cho ạ. IMAG1505_copy_800x450.jpg
     
  24. Maidanhan

    Maidanhan Advanced Member

    Joined:
    14/3/06
    Messages:
    3.722
    Likes Received:
    1.146
    Tôi vẽ nhanh nên quên, nó là 2 con Diode nắn thường thôi nhé, áp max khoảng 400 VDC,ngoài Hà nội khoảng 5000/ 1 pcs hay dùng 1/2 phần Âm của Cầu Diode.
    Đã quấn CT bác tách chô nối tiếp ra, đấu lại thành // để công suất phần AC tăng gấp đôi là ổn.
     
  25. Maidanhan

    Maidanhan Advanced Member

    Joined:
    14/3/06
    Messages:
    3.722
    Likes Received:
    1.146
    Hai đèn này như nhau, bác dùng thoải mái. Nó là bản 417 của tư bán trc đây
    Phần Hight Ligh: Đúng thế
     

Share This Page

Loading...