Firstwatt F5!

Discussion in 'Bán dẫn' started by nagini262, 15/6/08.

  1. vuhoa155

    vuhoa155 Advanced Member

    Joined:
    7/4/09
    Messages:
    1.198
    Likes Received:
    18
    Em cũng thích nhất cái này, vì amply vô địch em diy không được như thế này, volume bé thì dễ nghe, lớn quá không chịu được, mà việc này mình không kiểm soát được :(
     
  2. kirato

    kirato Advanced Member

    Joined:
    14/12/06
    Messages:
    1.807
    Likes Received:
    9
    Location:
    Tầu THỐNG NHẤT
    bác ý tẩu tập 1 cụ Lý nói thế :lol:
     
  3. themask

    themask Advanced Member

    Joined:
    15/4/09
    Messages:
    547
    Likes Received:
    1
    Bác Touch3G cho e hỏi tý, hiện tại bác đang ở quận mấy ạh, bác cho e qua nghe thử con GM của bác với, e đang cong thiếu lk nên chưa làm được, nếu được bác pm địa chỉ của bác cho e nhé :D
     
  4. doancancel

    doancancel Advanced Member

    Joined:
    27/5/11
    Messages:
    592
    Likes Received:
    219
    anh quang ơi .gởi cho em mạch match jfet với ạ
    em có 5 con k170 tháo trong con Amp sony classA
    ko biết có cần match lại ko?
     
  5. khangnetwork

    khangnetwork Advanced Member

    Joined:
    8/7/10
    Messages:
    826
    Likes Received:
    2
    Location:
    C:\Windows\System32
    Có cụ nào ở trỏng khuân hộ em một cặp được không ạ? Ở ngoài này em kiếm mấy cái ấy cực quá.
     
  6. mimosalq

    mimosalq Advanced Member

    Joined:
    8/5/06
    Messages:
    12.824
    Likes Received:
    119
    Anh khuân cho... :D
     
  7. mimosalq

    mimosalq Advanced Member

    Joined:
    8/5/06
    Messages:
    12.824
    Likes Received:
    119
    Đây em
     

    Attached Files:

  8. lam_nguyen77

    lam_nguyen77 Advanced Member

    Joined:
    30/9/11
    Messages:
    89
    Likes Received:
    1
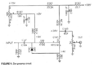
    Anh Quang ơi khi nào gởi jfet nhớ gởi cho em một số lk còn thiếu em đã mail cho anh . con leach của em một kênh thiếu hẳn tụ 0.1mf hót vẫn rất tốt không ù xì ,tắt mở êm re không bụt loa (đuúng là hàng tốt ráp sướng thật hàn xong là chạy) .Sẵn đây cho em hỏi pre zen này ghép với F5 được không anh ,em đang dùng con này nghe với FL99 nghe rất mộc ,chi tiết, bass thì khỏi chê . Nếu được em sẽ tranh thủ thời gian chờ F5 nâng cấp nó tới đỉnh để nghe với F5 ...
     

    Attached Files:

  9. mimosalq

    mimosalq Advanced Member

    Joined:
    8/5/06
    Messages:
    12.824
    Likes Received:
    119
    Con này ghép F5 thì tốt lắm.Anh sẽ bổ sung linh kiện thiếu.
     
  10. lam_nguyen77

    lam_nguyen77 Advanced Member

    Joined:
    30/9/11
    Messages:
    89
    Likes Received:
    1
    Cám ơn anh , vậy thì em sẽ tranh thủ nâng cấp để chờ F5 .....chưa có khả năng làm đèn ...
     
  11. lehuy173

    lehuy173 Advanced Member

    Joined:
    7/11/11
    Messages:
    870
    Likes Received:
    88
    Xem ảnh bác kirato, hình như cái bo F5 nó hơi dài hơn cái tản nhiệt ạ. Bác có phương án gì chưa?
     
  12. khangnetwork

    khangnetwork Advanced Member

    Joined:
    8/7/10
    Messages:
    826
    Likes Received:
    2
    Location:
    C:\Windows\System32
    Anh nhặt hộ em nhé, cám ơn anh. Phen này thì hành lý ra Bắc tăng cân rồi đây :lol: Trang http://www.garrettaudio.com/ đã mở cửa mua hàng trực tuyến trở lại em thấy cũng nhiều đồ ngon mà rẻ, lại chuyên cho audio. Chắc mấy bữa nữa em làm cái Alps xịn lắp Pre :lol:
     
  13. kirato

    kirato Advanced Member

    Joined:
    14/12/06
    Messages:
    1.807
    Likes Received:
    9
    Location:
    Tầu THỐNG NHẤT
    tản nhiệt đó ngắn hơn bo 3.5ly thôi. em cưa bo rẹt 1 cái là vừa khít với tản nhiệt,là em nó nằm trong tản nhiệt luôn. đẹp hoành tá tràng luôn :lol:
     
  14. lehuy173

    lehuy173 Advanced Member

    Joined:
    7/11/11
    Messages:
    870
    Likes Received:
    88
    Em ở Hà Nội, cũng thèm quả tản nhiệt này lắm. Mặc dù đã chuẩn bị tản nhiệt cho F5 rồi nhưng vẫn muốn mua. Bác Quang hoặc bác Kirato có thể nhặt dùm em 1 cặp không ạ. Em đặt vé máy bay thứ 7 tuần sau, ngày 23/6 vào Sài Gòn để khuân đồ F5 ra rồi :d.
    Tiện thể, em có thể khuân hộ bác Tigoncafe luôn.
     
  15. kkalord

    kkalord Advanced Member

    Joined:
    6/6/08
    Messages:
    392
    Likes Received:
    8
    cái tản này có cái dài gấp gần 3 lân của bác kirato, khoảng gần giống bác kitaro cũng có hai loại dài ngắn khác nhau nữa, các bác đo kích thước rồi mua nhé
     
  16. touch3G

    touch3G Advanced Member

    Joined:
    3/1/10
    Messages:
    1.734
    Likes Received:
    1
    Bác có người khuân hộ rồi nhé. Mình cũng tính khuân hộ bác nhưng mình chỉ rảnh thứ bảy, CN. Với phong trào F5 đang lên như thế này mà đợi đến lúc đó chắc...
     
  17. kirato

    kirato Advanced Member

    Joined:
    14/12/06
    Messages:
    1.807
    Likes Received:
    9
    Location:
    Tầu THỐNG NHẤT
    lo chăm center đi :lol:
    bác lehuy173 muốn tản nhiệt này vẫn còn nhưng nó dài 40cm em thấy vẫn còn 2 cặp rất mới.còn cái ngắn thì rất nhiều nhưng nó ngắn hơn bo f5 hơn 2cm nên không vừa
     
  18. lehuy173

    lehuy173 Advanced Member

    Joined:
    7/11/11
    Messages:
    870
    Likes Received:
    88
    35cm thì tốt nhưng 40cm em cũng chơi luôn. Power amp em thấy con nào cũng to nặng cả. Em mà bê được về tới hà nội, không dùng thì bán cũng có lãi :D
     
  19. mimosalq

    mimosalq Advanced Member

    Joined:
    8/5/06
    Messages:
    12.824
    Likes Received:
    119
    Vào SG gọi anh 0918270655 ok?
     
  20. lehuy173

    lehuy173 Advanced Member

    Joined:
    7/11/11
    Messages:
    870
    Likes Received:
    88
    Đương nhiên rồi ạ. Em vào Sài gòn để nghe thử F5 và khuân đồ ra mà :D
     
  21. vducuy

    vducuy Advanced Member

    Joined:
    13/10/06
    Messages:
    4.429
    Likes Received:
    8
    Mấy cụ lăm le ghim hàng dữ quá làm em phát cuống lên, sáng nay trốn việc tí chạy ra lụm 2 cục, 11kg. hic.... :cry: :cry:
    Cái F5 này hay hay không thì chưa biết chứ về vụ cân ký chắc chắn là ăn tiền đây.. :lol:
     
  22. NDHien

    NDHien Advanced Member

    Joined:
    12/11/09
    Messages:
    1.693
    Likes Received:
    11
    Chào các bác

    Hic... giá tản nhiệt ở Lâm Thanh lại sắp sửa tăng lên vùn vụt :mrgreen:

    Thân
     
  23. kkalord

    kkalord Advanced Member

    Joined:
    6/6/08
    Messages:
    392
    Likes Received:
    8
    chắc bác lấy cục dài hả, cục đó nặng vãi chiếu
     
  24. vducuy

    vducuy Advanced Member

    Joined:
    13/10/06
    Messages:
    4.429
    Likes Received:
    8
    40cm bác, mấy cục ngắn thì ngắn quá. em hỏi còn không cô nàng ấy bảo còn nhiều lắm. anh muốn mua nhiêu cũng có...:d:d
     
  25. vuhoa155

    vuhoa155 Advanced Member

    Joined:
    7/4/09
    Messages:
    1.198
    Likes Received:
    18
    Các bác mua 4 cục ngắn về ghép đôi thành một cục dài, thoải mái luôn :D
     

Share This Page

Loading...