DIY và nhân bản Naim NAC, NAP & CAP từ A-Z

Discussion in 'Bán dẫn' started by ThuyLT, 7/6/10.

  1. tngoctu

    tngoctu Advanced Member

    Joined:
    10/10/10
    Messages:
    2.366
    Likes Received:
    186
    Trời em nghía hoài con này thèm quá, clone em nap300 này thì chắc ko lăn tăn phần công suất nữa, vừa vặn hơn con nap500 :D Mới đầu em nghĩ sao thằng Naim nó làm tản bé xíu mà kín mít thế kia, hóa ra nó có thêm quả quạt hút phía sau đối lưu khí.
    @ Nhân tiện bác nào có 2SC2922 có thể nhượng lại thì pm em nhé. Em có 1 cặp match pair ngày nào cũng ngắm khó chịu trong người quá, heeeee. Thanks.
    [​IMG]
     
  2. mimosalq

    mimosalq Advanced Member

    Joined:
    8/5/06
    Messages:
    12.824
    Likes Received:
    119
    Bạn anh đổi ampli liên tục nhưng qua em này thì dừng hẳn... :D
     
  3. minh_nt

    minh_nt Advanced Member

    Joined:
    26/4/10
    Messages:
    420
    Likes Received:
    0
    Làm dự án này dừng hẳn luôn đi anh.........8)
     
  4. hlchip

    hlchip Advanced Member

    Joined:
    18/7/12
    Messages:
    520
    Likes Received:
    0
    Location:
    Phu Nhuan Dist. - Lang Thang
    Bẩm cụ Lý, cảm ơn cụ ạ!
     
  5. khangdep

    khangdep Advanced Member

    Joined:
    22/10/08
    Messages:
    729
    Likes Received:
    3
    Location:
    Internet
    Mấy hôm qua cứ ngày đi làm đêm về cưa, khoan đục Lờ cho các cụ. Giờ đây Lờ đã sẵn sàng lên đường nhưng chưa có địa chỉ. Các cụ PM cho em nhé. :?

    Chú ý: Lờ cụ nào cụ ấy dùng, không tranh giành xô đẩy :lol: :lol: :lol:

    Lờ board mới 10cm (đã đục lỗ sẵn)
    Lờ board cũ 12cm (chưa đục lỗ vì không có bản vẽ cơ khí)




    PS: Tặng riêng anh Quang 1 bộ Lờ vì những đóng góp cho cộng đồng
     

    Attached Files:

    • L1.jpg
      L1.jpg
      File size:
      118 KB
      Views:
      451
    • L2.jpg
      L2.jpg
      File size:
      107,9 KB
      Views:
      450
  6. hlchip

    hlchip Advanced Member

    Joined:
    18/7/12
    Messages:
    520
    Likes Received:
    0
    Location:
    Phu Nhuan Dist. - Lang Thang
    Lờ bác Khang đẹp quá. Em thấy là Lờ có giả xiền thì ổn dồi, nhưng Lờ free ăn bánh mà quên giả xiền liệu có ổn ko hả Bác? Nhưng Lờ này mà đụng phải cái lỗi em đang gặp, tự sướng tăng cao thì sò lông lên đường là cái chắc.... :(
     
  7. hlchip

    hlchip Advanced Member

    Joined:
    18/7/12
    Messages:
    520
    Likes Received:
    0
    Location:
    Phu Nhuan Dist. - Lang Thang
    Em show các Bác xem, khi đang ở mức bình thường, nhích volume đếm doạn khoảng 8h thì em gặt hái được kết quả này đây chỉ trong vòng vài giây
     

    Attached Files:

  8. lynhan159

    lynhan159 Advanced Member

    Joined:
    16/10/07
    Messages:
    3.017
    Likes Received:
    5
    Location:
    Phú Nhuận Bang, Sài Gòn
    oh! đồng hồ đẹp và hịn quá :p ! hôm nào cho em mượn chơi vài bữa nhé! :lol: :mrgreen: xin cám ơn
     
  9. tuanhaitin

    tuanhaitin Advanced Member

    Joined:
    18/4/10
    Messages:
    1.587
    Likes Received:
    16
    Location:
    Phú Nhuận-HCM
    - Bác đo Dc offset thì tín hiệu phải thả mass đo mới chuẩn, khi nhích volume thì Bác đã cho tín hiệu vào rồi dù chưa gắn với nguồn âm, do nhiễu trên đường tín hiệu mà.
     
  10. hlchip

    hlchip Advanced Member

    Joined:
    18/7/12
    Messages:
    520
    Likes Received:
    0
    Location:
    Phu Nhuan Dist. - Lang Thang
    Nhưng làm gì có chuyện hắn lên dữ rứa Bác?
     
  11. corube1981

    corube1981 Advanced Member

    Joined:
    22/3/12
    Messages:
    920
    Likes Received:
    7
    cụ Lý ơi,pm sdt của cụ vào box mail diễn đàn giúp em nhé,muốn alo cho Cụ mà ko có số để alo,thanks.
     
  12. tuanhaitin

    tuanhaitin Advanced Member

    Joined:
    18/4/10
    Messages:
    1.587
    Likes Received:
    16
    Location:
    Phú Nhuận-HCM
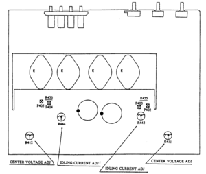
    - Thì nhiễu gây ra. Bác xem qua service manual của một am ly hãng nào cũng vậy họ đo với đường tín hiệu thả Mass và có thời gian chở cho DC này ổn định rồi mới đóng nắp. Bác xem qua cách chỉnh của amly NAD 3020i


    Và sơ đồ vị trí của các biến trở trên amly thật
     

    Attached Files:

  13. hlchip

    hlchip Advanced Member

    Joined:
    18/7/12
    Messages:
    520
    Likes Received:
    0
    Location:
    Phu Nhuan Dist. - Lang Thang
    Ah, em có đo 02 kênh ổn định rồi đấy, nhưng lúc nghe, set mức volume ở mức khoảng 8h là 1 kênh nó như rứa, kênh kia vẫn đẹp dzai... Bác đừng ọp đt nhé, tối dzìa em mần gồi em điện Bác.

    Thân,
     
  14. nguyensyanhduy

    nguyensyanhduy Advanced Member

    Joined:
    5/10/09
    Messages:
    920
    Likes Received:
    47
    Location:
    BH-ĐN
    con 15om xanh xanh đã bị em cướp rồi thanh kiều bác đã chia sẽ cho nông thôn tụi em :mrgreen:
     
  15. nguyensyanhduy

    nguyensyanhduy Advanced Member

    Joined:
    5/10/09
    Messages:
    920
    Likes Received:
    47
    Location:
    BH-ĐN
    bửa nào em ôm cái bao nem lên bác đo ké bias nha nhìn đồ nghề diy của bác pro quá nếu tụ evox 22uf còn nhớ hú em nha bác thank bác nhiều :mrgreen:
     
  16. Tun_audio

    Tun_audio Advanced Member

    Joined:
    14/11/12
    Messages:
    1.315
    Likes Received:
    86
    Các bác cho em hỏi nhờ với ah. Nac72 của em bị ù, rè cả 2 kênh thì xử lý như thế nào ah?
     
  17. nguyensyanhduy

    nguyensyanhduy Advanced Member

    Joined:
    5/10/09
    Messages:
    920
    Likes Received:
    47
    Location:
    BH-ĐN
    bác có xài tiếp địa kg ??? em củng bị đã khắc phục ok bác à
     
  18. NDHien

    NDHien Advanced Member

    Joined:
    12/11/09
    Messages:
    1.693
    Likes Received:
    11
    Chào các bác
    Mình có BA sẵn nhưng không có 2 cuộn riêng biệt , đã phẫu thuật em nó nhưng không kiếm ra được 2 cuộn riêng biệt , vậy phải nối tắt gì trên bo nguồn, kiếm mãi mà chẳng thấy , các bác chỉ dùm mình
    BA của mình chỉ có điểm giữa 30VAC-0-30VAC , cám ơn các bác , Pre đã xong đang nghe và không mod thêm nữa , bây giờ trong khi chờ LK của GM mình cố gắng làm xong Nem công xuất này ., cám ơn các bác .

    Thân
     
  19. tngoctu

    tngoctu Advanced Member

    Joined:
    10/10/10
    Messages:
    2.366
    Likes Received:
    186
    Post lại để bác ráp cho lẹ :) Nối tắt theo đường màu đen, lắp diodes theo màu đỏ. CT lắp vào vị trí màu cam, mass ra loa cũng lấy ngay vị trí này.
    [​IMG]
     
  20. hlchip

    hlchip Advanced Member

    Joined:
    18/7/12
    Messages:
    520
    Likes Received:
    0
    Location:
    Phu Nhuan Dist. - Lang Thang
    Các Bác qua chơi đi, lúc nào em cũng thík, còn đồ nghề em toàn cướp tạm thời của đại ca ko àh! Đại ca được cái nhiều đồ nhưng do tuổi đã cao nên để ngắm ko biết làm gì ... :mrgreen:
     
  21. NDHien

    NDHien Advanced Member

    Joined:
    12/11/09
    Messages:
    1.693
    Likes Received:
    11
    Chào bác tngoctu

    Bác cho mình tấm hình xem . chứ chả biết đâu màu đen màu đỏ cả :D , cám ơn bác nhiều .

    Thân
     
  22. n_nhoang

    n_nhoang Advanced Member

    Joined:
    29/7/06
    Messages:
    2.520
    Likes Received:
    20
    Bác khangdep còn dư bộ nào không, em chậm chân wá :oops: :roll:
     
  23. binhcn

    binhcn Advanced Member

    Joined:
    22/10/10
    Messages:
    296
    Likes Received:
    4
    Chất Naim nó trong, lạnh lùng kiểu điêu điêu như trong đĩa test của Naim đúng không các bác? :D
     
  24. mengkut

    mengkut Advanced Member

    Joined:
    31/7/09
    Messages:
    974
    Likes Received:
    20
    Location:
    Đồng Nai
    Cụ khang dép kiếm đâu ra nhôm dày loại đó làm Lờ quá tuyệt. Khoan lỗ chính xác cực khó nếu khoan bằng tay.
     
  25. khangdep

    khangdep Advanced Member

    Joined:
    22/10/08
    Messages:
    729
    Likes Received:
    3
    Location:
    Internet
    Hậu quả dư lày bác ơi: http://www.youtube.com/watch?v=vu0fDlEKy1k

    Có một vài bác cancel nên còn đủ cho bác và một số bác khác nữa ạ.

    Bẩm cụ em cũng chơi Naim nên cũng thấm được nỗi khổ tìm Lờ, loại dùng được thì không thiếu nhưng mà loại nào nó xứng tầm với Naim thì thật là khó kiếm. Nhìn thấy cái đống này là em nhặt ngay cho anh em. Lỡ vụ này chắc khó có thể tìm lại được hàng ngon như thế. Em đục lỗ bằng C-N-tay nhưng có ke với lại đục lỗ to nên chắc sai số chấp nhận được ạ. Cụ có làm 1 đôi không?
     

Share This Page

Loading...