DIY và nhân bản Naim NAC, NAP & CAP từ A-Z

Discussion in 'Bán dẫn' started by ThuyLT, 7/6/10.

  1. hlchip

    hlchip Advanced Member

    Joined:
    18/7/12
    Messages:
    520
    Likes Received:
    0
    Location:
    Phu Nhuan Dist. - Lang Thang
    Ý là càng yếu là càng lả lướt, mềm mại giống phụ nữ hả Anh? Vậy Bác Quang làm mạch nguồn sao cho mình biến thiên voltage để điều chỉnh được lúc nào là gái miền Nam, gái Bắc hoặc gái miền Tây, miền Trung....etc đi Bác... cái này hay àh :mrgreen:
     
  2. atxihoi

    atxihoi Advanced Member

    Joined:
    16/2/08
    Messages:
    479
    Likes Received:
    98
    em thử rồi, vẫn vậy, không phải do jack đâu bác ạ. Bác nào chẩn bệnh giúp em với :(
     
  3. tngoctu

    tngoctu Advanced Member

    Joined:
    10/10/10
    Messages:
    2.366
    Likes Received:
    186
    Em nghĩ bác nên cô lập từng phần xem sao đã, trước hết là kiểm tra trên mạch mấy con bán dẫn, trước khi lắp bác đo hfe xem sống chít chưa, đã lắp rồi thì kiểm tra chập chân, DC offset xem có cao quá ko, nếu cao thì mạch có vấn đề về linh kiện. Tiếp theo là rút hết mấy con tụ ra, trước mắt chỉ nên lắp 01 cặp tụ in và 1 cặp tụ out để test đã, mấy con tụ lọc nguồn sau B+ tháo bỏ ra để kiểm tra. Tụ in và out kiếm cặp tụ hóa mới nào cũng được miễn đúng trị số để xem nó hát bình thường ko, khi ok rồi thì mới hẳn modify bác ah. Thói quen của mình là hay lắp dồn mọi thứ 1 lúc rồi khi có sự cố ko dò ra được pan. Em từng bị con pow nó vật gần chít vì mấy con trans nửa sống nửa chít mà hfe vẫn lên, muốn phát bệnh. Chỉ có cách cô lập từng phần mới giải quyết được vấn đề.
    Chúc vui.
     
  4. mimosalq

    mimosalq Advanced Member

    Joined:
    8/5/06
    Messages:
    12.824
    Likes Received:
    119
    Em lắp như vậy nè...
     

    Attached Files:

    • 1.jpg
      1.jpg
      File size:
      16,9 KB
      Views:
      651
  5. langbam

    langbam Advanced Member

    Joined:
    12/1/12
    Messages:
    1.800
    Likes Received:
    28
    Vừa đến nhà anh Quang nghe bằng pre NAC, pow GM phê thật. Giờ mình mới biết trước đây toàn nghe hàng đểu :lol:
    nghe ghi ta trống y như nó chơi trước mặt mình vậy :D
     
  6. atxihoi

    atxihoi Advanced Member

    Joined:
    16/2/08
    Messages:
    479
    Likes Received:
    98
    em thử rồi, vẫn vậy, không phải do jack đâu bác ạ. Bác nào chẩn bệnh giúp em với :([/quote]
    Em nghĩ bác nên cô lập từng phần xem sao đã, trước hết là kiểm tra trên mạch mấy con bán dẫn, trước khi lắp bác đo hfe xem sống chít chưa, đã lắp rồi thì kiểm tra chập chân, DC offset xem có cao quá ko, nếu cao thì mạch có vấn đề về linh kiện. Tiếp theo là rút hết mấy con tụ ra, trước mắt chỉ nên lắp 01 cặp tụ in và 1 cặp tụ out để test đã, mấy con tụ lọc nguồn sau B+ tháo bỏ ra để kiểm tra. Tụ in và out kiếm cặp tụ hóa mới nào cũng được miễn đúng trị số để xem nó hát bình thường ko, khi ok rồi thì mới hẳn modify bác ah. Thói quen của mình là hay lắp dồn mọi thứ 1 lúc rồi khi có sự cố ko dò ra được pan. Em từng bị con pow nó vật gần chít vì mấy con trans nửa sống nửa chít mà hfe vẫn lên, muốn phát bệnh. Chỉ có cách cô lập từng phần mới giải quyết được vấn đề.
    Chúc vui.[/quote]
    cảm ơn bác, em nghi ngờ tụ 47uF có vấn đề nên tháo ra đo, lúc tháo ra em mới phát hiện lúc hàn em cắm nhầm lỗ 02 em nó :lol: , nhiều lỗ sắp hàng gần nhau nên dễ cắm nhầm quá. Em cắm lại thế là hát ngon, nhưng tiếng Bass kém quá, chắc do tụ xuất em dùng MKP3.3uf//0.22uF. Mai em kiếm tụ to hơn coi sao, mạch hơi rè, chắc phải đợi cho em nó vào hộp rồi câu mass mới hết.
     
  7. addicted

    addicted Advanced Member

    Joined:
    4/4/06
    Messages:
    1.248
    Likes Received:
    1
    Location:
    Rìa Thành Công Bang.
    Tối nay em mới thử BVL nhưng không chạy, led cũng không sáng, em dùng AC 24V, B+ là 34V không tải, 1 thay đổi nhỏ là con tụ 4,7u/25V không có em thay bằng 2.2u. :-(.
     
  8. NDHien

    NDHien Advanced Member

    Joined:
    12/11/09
    Messages:
    1.693
    Likes Received:
    11
    Chào các bác

    Hôm nay táy máy tháo 2 tụ O/P 10uF(MKP ICEL MPH) ra thay vào đó bằng Kemet 10uF/35V tantalum , thật ngạc nhiên bass lại xuống sâu hơn trước :D . Vậy là còn rẻ hơn nữa vì Tan 10uF/35V cũng tuơng đối bằng giá với tụ hóa :mrgreen: nhưng phải mua bọc 10 cái không bán lẻ , để từ từ có thì giờ mod thêm chút nữa trong khi em nó còn đang ở truồng dễ làm việc hơn :D , cám ơn các bác .
    Edit : Có lẽ bây giờ bắt đầu làm cho xong cái pow này , các bác thấy loại tụ này có thích hơp không để mình còn đặt hàng trên ebay vì mình có 2 bo nguồn dùng loại 4 chân này , shop của nó ở tận xứ cờ hoa


    Thân
     

    Attached Files:

  9. longpcb

    longpcb Advanced Member

    Joined:
    16/9/08
    Messages:
    2.175
    Likes Received:
    23
    Location:
    Gầm gầm cầu!
    Dạ Báo cáo các Bác là thú thật đến giờ Em mới thăng bằng sau vụ off chai với Anh Em vnav SG, chứ cả ngày hôm qua vẫn còn phây phây :lol: . Thực tâm là Em rất ấn tượng với bộ Naim của Cụ Lý. Ý kiến chủ quan của Cá nhân Em thì với kinh phí, công sức bỏ ra thì NAC72 + VNAV NAP135 là 1 thành công của Anh Em DIY Naim trong cộng đồng vnav nói chung và Cụ Lý nói riêng. Cá nhân Em thấy rất vui về điều đó! Chúc mừng Cụ Lý!
     
  10. nguyensyanhduy

    nguyensyanhduy Advanced Member

    Joined:
    5/10/09
    Messages:
    920
    Likes Received:
    47
    Location:
    BH-ĐN
    Tối nay em mới thử BVL nhưng không chạy, led cũng không sáng, em dùng AC 24V, B+ là 34V không tải, 1 thay đổi nhỏ là con tụ 4,7u/25V không có em thay bằng 2.2u. :-(.[/quote]

    có bác nào làm bo bảo vệ xong cho em xin 500 hình để em làm với em chỉ cấp 27vac vô em nó kg biết như vậy đúng chưa pm bác diyampli mà kg thấy bác ấy trả lời em đang rối
     
  11. tngoctu

    tngoctu Advanced Member

    Joined:
    10/10/10
    Messages:
    2.366
    Likes Received:
    186
    Thứ nhất bác xem lại con uPC đã ráp đúng chưa, rồi phần cặp 27VAC bác phi 1 sợi về mass tổng (bo công suất), 1 sợi phi vào ngõ 27VAC, sợi dây vào mass bác lấy từ mass tổng nhé.
     
  12. diyampli

    diyampli Advanced Member

    Joined:
    15/6/10
    Messages:
    6.542
    Likes Received:
    304
    Location:
    Anh có vào Nghĩa Lộ với em không?
    có bác nào làm bo bảo vệ xong cho em xin 500 hình để em làm với em chỉ cấp 27vac vô em nó kg biết như vậy đúng chưa pm bác diyampli mà kg thấy bác ấy trả lời em đang rối[/quote]

    Bác xin hình thì thú thật là em chưa ráp song ạ. Mai em về chắc em sẽ pót Cho bác.
    @ nếu bác chưa hình dung ra thì call Cho em Theo số 0904968228 bác nhé.
    Thân.
     
  13. kirato

    kirato Advanced Member

    Joined:
    14/12/06
    Messages:
    1.807
    Likes Received:
    9
    Location:
    Tầu THỐNG NHẤT
    Bác xin hình thì thú thật là em chưa ráp song ạ. Mai em về chắc em sẽ pót Cho bác.
    @ nếu bác chưa hình dung ra thì call Cho em Theo số 0904968228 bác nhé.
    Thân.[/quote]
    em nghĩ không cần hình đâu, em làm tới 5 cái rùi theo mạch là chạy liền rùi không thấy lỗi nào cả, muốn đóng trễ thì tăng điện dung tụ 4,7uf lên 470 hay nhiều lên nữa thui.thân
     
  14. langbam

    langbam Advanced Member

    Joined:
    12/1/12
    Messages:
    1.800
    Likes Received:
    28
    Có phải bác thay tụ này không ah
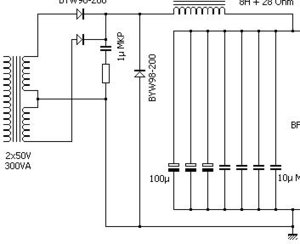
    [​IMG]

    Em mới thay tụ này thay cho tụ rifa 10uf thấy bass tăng nhưng phần mid gần như mất ấn tượng. Không biết tai em có phải tai trâu không :lol:
     
  15. corube1981

    corube1981 Advanced Member

    Joined:
    22/3/12
    Messages:
    920
    Likes Received:
    7
    mạch bảo vệ em lắp đầy đủ đây
    [​IMG]
    khi cấp nguồn 27volt - 35volt thì đèn led sáng lên 1 lúc và khi rơle đóng cạch là led tắt, xong mạch đã chạy
    còn bảo vệ Dc em chưa tét được vì chưa thử,tuy là lắp đầy đủ cho mạch đầy đặn và có thể em chưa dùng tới phần bảo vệ DC này,thân
     
  16. NDHien

    NDHien Advanced Member

    Joined:
    12/11/09
    Messages:
    1.693
    Likes Received:
    11
    Chào các bác
    Không phải loại đó cụ ơi , mình cũng chả biết là loại gì nữa :roll: , chỉ biết là Tan thôi , định lắp vào nguồn nhưng táy máy cho vào tụ O/P thử xem thế nào


    Thân
     

    Attached Files:

  17. mimosalq

    mimosalq Advanced Member

    Joined:
    8/5/06
    Messages:
    12.824
    Likes Received:
    119
    Cái hay của Naim là tính tùy biến,có thể điều chỉnh cho nó hợp với bộ dàn của mình làm phong phú chất âm của từng sản phẩm.Cái nào hay hơn cái nào cũng vô chừng lắm .Naim đi thi đem ra khán phòng lớn sẽ không đấu lại với GM,Pass Lab...vì công suất chưa đạt nhưng phòng cở 30m2 với loa thích hơp thì tiêng guitar,độ tình cảm khề khà của trung âm và tiếng bass nó thả là mấy amp kia gọi bằng cụ.Naim mà gặp mấy bài sau là rất nhiều em phải ngước nhìn:My little angel,Keith dont go,gửi người em gái...GM thì độ động quá tốt,chính xác nên nghe giao hưởng,Flamenco và rock cực tốt.Nói chung là phải ráp 2 amp có công tắc chuyển đổi để thích con nào nghe con đó... :D

    Naim có linh kiện chuẩn thì em thích đưa về gốc hơn bởi tính lạnh lạnh ,quái quái như đang phê...
     
  18. NDHien

    NDHien Advanced Member

    Joined:
    12/11/09
    Messages:
    1.693
    Likes Received:
    11
    Chào các bác
    Sau 2 ngày cuối tuần ngồi nghe và mod lại , cuối cùng cũng vẫn quay về với tụ phim hồi tiếp 47uF/100V , và tụ xuất ICEL 10uF/100V MKP , tụ i/p 3uF/100V MKP + westcap dầu 0.36uF/100V , còn lại tất cả là MKP ICEL , cái hổn hợp này cho bass treble và mid cân bằng không bị chói ở dải cao mà vẫn có bass xuống xâu :mrgreen: , cảm nhận đầu khi thay tụ hồi tiếp bằng Siemens tantalum 47uF và tụ O/P = 10uF tantalum thì tiếng bass chắc hơn , nhưng nghe lâu thì thấy hơi bị chói một chút ở dải cao tuy rằng hơi khó nhận ra được phải ngồi nghe lâu tốn mất 2-3 tụ không dây :mrgreen: , chắc đây là cấu hình cuối cùng , không mod thêm nữa cũng không ngờ mấy tụ ICEL chỉ để cho nguồn xung mà cũng làm nối tầng chiến đấu như vậy, chạy ở 23.3V DC, ngày mai sẽ đóng thùng , cảm nhận cuối là tuơng đối rất tốt so với giá thành , Pre CH phải nhường quần áo cho em này , mình đang tính có thể nhốt cả hai vào chung chuồng :D , cám ơn các bác .

    Thân
     
  19. touch3G

    touch3G Advanced Member

    Joined:
    3/1/10
    Messages:
    1.734
    Likes Received:
    1
    Chắc là cấu hình cuối chưa vậy bác? Thấy bác tuyên bố đây là cấu hình cuối mấy lần rồi, cứ mod miếc thoải mái đi bác ạ, DIY mà.
     
  20. addicted

    addicted Advanced Member

    Joined:
    4/4/06
    Messages:
    1.248
    Likes Received:
    1
    Location:
    Rìa Thành Công Bang.
    Hiện em dùng chung cuộn dây 0-24 với phần công suất, dùng bo mạch nguồn của THQ, em nghĩ vấn đề ở chỗ này, 1 dây 24V AC cấp vào BVL và lấy mass từ bo nguồn sang mass BVL.
     
  21. tngoctu

    tngoctu Advanced Member

    Joined:
    10/10/10
    Messages:
    2.366
    Likes Received:
    186
    Nếu bác dùng chung cuộn dây với công suất thì nhớ chỉ lấy áp từ cuộn phía nguồn dương nhé. Chúc vui.
     
  22. corube1981

    corube1981 Advanced Member

    Joined:
    22/3/12
    Messages:
    920
    Likes Received:
    7
    hàng vừa cập bến dc 6 cái seconds hand và 1 cái mới tinh ,3 cái đã có chủ -anh Doancancel + bạn anh Doancancel và anh nguyenbao vào nhận hàng nhé,hàng seconds hand nhưng mũi hàn em mua mới cho các anh rồi nhé,thân
     
  23. Nguyen Bao

    Nguyen Bao Advanced Member

    Joined:
    1/3/12
    Messages:
    260
    Likes Received:
    0
    Oh nhanh thế, đã quá, nhận hàng ở đâu vậy bác, chắc ở " đại bản doanh" q 8 hả bác. :D
     
  24. corube1981

    corube1981 Advanced Member

    Joined:
    22/3/12
    Messages:
    920
    Likes Received:
    7
    đầu giờ trưa em tập kết tại nhà anh Quang,anh ghé đó lấy rồi tét tụ ko dây nhé :D
     
  25. nguyensyanhduy

    nguyensyanhduy Advanced Member

    Joined:
    5/10/09
    Messages:
    920
    Likes Received:
    47
    Location:
    BH-ĐN
    bác chủ cho em hỏi máy hàn nầy đầu hàn nhiêu 1 cái ạ
     

Share This Page

Loading...