DIY và nhân bản Naim NAC, NAP & CAP từ A-Z

Discussion in 'Bán dẫn' started by ThuyLT, 7/6/10.

  1. tngoctu

    tngoctu Advanced Member

    Joined:
    10/10/10
    Messages:
    2.366
    Likes Received:
    186
    Hiiiii, em hôm giờ có gắn đâu, nghe thấy ổn rồi nhưng đã làm thì cứ test thử mọi phương án xem sao. Bỏ sâu vào // trở 15R treble gần như đứt gánh, em nghe thấy nó nặng nề và chán kinh.
    Tụ tị là em tháo từ dự án khác gá vào nghe cho biết thôi, chứ em cũng đã có phương án dùng tantalum rùi :D
    Thanks anh.
     
  2. mimosalq

    mimosalq Advanced Member

    Joined:
    8/5/06
    Messages:
    12.824
    Likes Received:
    119
    Nói thẳng nhé

    Hiện giờ em nó hơn GM về độ sâu của tiếng trầm,hơn F5 về treble và em nó vượt trội về vocal.Vấn đề em nó là khó đánh loa trở kháng thấp....
     
  3. mtbc

    mtbc Advanced Member

    Joined:
    11/9/06
    Messages:
    6.901
    Likes Received:
    2.401
    Location:
    Q3, Saigon
    Anh Quang ơi, gởi thuốc giúp em, lên cơn vã rồi :D
     
  4. mimosalq

    mimosalq Advanced Member

    Joined:
    8/5/06
    Messages:
    12.824
    Likes Received:
    119
    Của em xong rồi ,cái biến áp củ của em đóng điện là sụp CB,rãnh lúc nào ới anh nhé.
     
  5. mtbc

    mtbc Advanced Member

    Joined:
    11/9/06
    Messages:
    6.901
    Likes Received:
    2.401
    Location:
    Q3, Saigon
    Cái cục bự kia anh ơi, không phải cái cục nhỏ ;)
     
  6. mimosalq

    mimosalq Advanced Member

    Joined:
    8/5/06
    Messages:
    12.824
    Likes Received:
    119
    Cục bư chỉ còn thiếu duy nhất trở công suất xịn 0.22,vài hôm nữa mới về tới..Naim phải gắn linh kiện khủng mới được...
     
  7. langbam

    langbam Advanced Member

    Joined:
    12/1/12
    Messages:
    1.800
    Likes Received:
    28
    Em đang chơi với TDA7294 loa đã nhỏ mà em TDA này bass thiếu trầm trọng quá. Nhưng nghe lại rất thích.
     
  8. mimosalq

    mimosalq Advanced Member

    Joined:
    8/5/06
    Messages:
    12.824
    Likes Received:
    119
    kHAKHA Bass đang dư lắm...
     
  9. langbam

    langbam Advanced Member

    Joined:
    12/1/12
    Messages:
    1.800
    Likes Received:
    28
  10. mimosalq

    mimosalq Advanced Member

    Joined:
    8/5/06
    Messages:
    12.824
    Likes Received:
    119
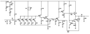
    Em đã ráp MC phono ,hôm nay đem đi ghép thì kết quả mỹ mãn vô cùng...Ghép mc phono này + Nac72+bộ monoblock 2 cây 845 single end 1 kênh.Em thì kết cái ampli và chủ nhân dàn test thì ôm luôn cái mc phono của em :(

    Mạch phong cách Naim.
     

    Attached Files:

    • 1.jpg
      1.jpg
      File size:
      22,9 KB
      Views:
      261
  11. mimosalq

    mimosalq Advanced Member

    Joined:
    8/5/06
    Messages:
    12.824
    Likes Received:
    119
    mm phono....................................................
     

    Attached Files:

    • 1.jpg
      1.jpg
      File size:
      21,5 KB
      Views:
      242
  12. DThocviec

    DThocviec Advanced Member

    Joined:
    16/6/12
    Messages:
    265
    Likes Received:
    0
    Kính chào tất cả các anh.
    Em xin tạm dừng tất cả những dự án tại tời điểm này.
    đang vận xui, chưa từng xui đến thế này. Gà thì mất trộm, Dúi thì đi mất, còn một con buồn quá nó cũng chết. và chiều hôm qua, gia tài cuối cùng của em là con hươu sao cũng đã từ trần.
    tổng thiệt hại đến nay đã là 35 củ sâm của em rồi. :cry:
    tết nay coi như là nhà em không có tết.
    chào các bác em đi đây.
    hẹn gặp lại các bác vào một ngày đẹp trời nào đó. :|
    best regards,
     
  13. minh_nt

    minh_nt Advanced Member

    Joined:
    26/4/10
    Messages:
    420
    Likes Received:
    0
    Anh Quang thiết kế luôn cối xay luôn đi cho dự án tới Z luôn.
     
  14. mimosalq

    mimosalq Advanced Member

    Joined:
    8/5/06
    Messages:
    12.824
    Likes Received:
    119
    Ghé anh xả xui đi :(
     
  15. mimosalq

    mimosalq Advanced Member

    Joined:
    8/5/06
    Messages:
    12.824
    Likes Received:
    119
    Em không được nghe phono nhiều nên em xin hỏi cái tiếng dây kéo violon của đĩa than nó da diết mềm mại là đặc tính của cối xay? do cái ampli 845 kia ?do phono của em? do pre của em?
    Em nghiện cối xay rồi... :D
     
  16. Baoanh_Hue

    Baoanh_Hue Advanced Member

    Joined:
    6/3/07
    Messages:
    8.888
    Likes Received:
    7
    Location:
    phá Tam Giang
    aQuang nghiện cối xay thì mở topic hộ công anh,em cùng nhau làm phono MM/MC đi anh.
     
  17. mimosalq

    mimosalq Advanced Member

    Joined:
    8/5/06
    Messages:
    12.824
    Likes Received:
    119
    Cái phono của Naim lợi hại thật,anh quá nể mấy tay kỷ sư hảng Naim...đơn giản nhưng tinh tế vô cùng.
     
  18. tuanvandon

    tuanvandon Advanced Member

    Joined:
    2/12/11
    Messages:
    235
    Likes Received:
    0
    Location:
    Hạ Long
    Lại khổ em rồi bác Quang ơi! GM, Nap, Nac chưa xong lại thêm vụ cối xay gió này nữa rồi :lol: :lol: :lol:
     
  19. minh_nt

    minh_nt Advanced Member

    Joined:
    26/4/10
    Messages:
    420
    Likes Received:
    0
    Em chĩ nghe qua có một vài lần và ấn tượng là nhạc cụ dễ gây nghiện mà em lại không dám nghiện nữa.....em phải cai từ từ.
     
  20. langbam

    langbam Advanced Member

    Joined:
    12/1/12
    Messages:
    1.800
    Likes Received:
    28
    Xem cái clip này thấy hãng naim họ đo từng con trở 1 bằng tay. Không biết anh Quang có làm như họ ko nhỉ :lol:

     
  21. mimosalq

    mimosalq Advanced Member

    Joined:
    8/5/06
    Messages:
    12.824
    Likes Received:
    119
    Chừng nào rảnh qua anh xem cái pre 72 trình diễn nè,anh có cả pre tube 12AU7 xịn để so sánh qua lại... :D
     
  22. langbam

    langbam Advanced Member

    Joined:
    12/1/12
    Messages:
    1.800
    Likes Received:
    28

    Dạ thứ 7 này em qua anh vừa nghe vừa nghịch tụ ko dây luôn, em muốn nghe Nac và naim trình diễn một lần để so sánh với ampli Nhật.
     
  23. mimosalq

    mimosalq Advanced Member

    Joined:
    8/5/06
    Messages:
    12.824
    Likes Received:
    119
    Ampli Nhật nào?Chấp hết em ơi... :D
     
  24. minh_nt

    minh_nt Advanced Member

    Joined:
    26/4/10
    Messages:
    420
    Likes Received:
    0
    Mấy cái sần sùi, marantz em cho đội nón đi ra khỏ nhà hết rồii bác ạ, để lại chỉ tủi với NAP, NAC thôi.
     
  25. hlchip

    hlchip Advanced Member

    Joined:
    18/7/12
    Messages:
    520
    Likes Received:
    0
    Location:
    Phu Nhuan Dist. - Lang Thang
    Bác langbam chưa già đã lẩm cẩm, chưa nói hết câu bác Quang ạh, Nhật Tảo đấy....
     

Share This Page

Loading...