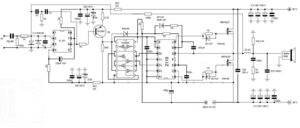
Class D power amp: Opamp - IR2110 - MOSFET N :)

Discussion in 'Bán dẫn' started by thienchay, 5/7/12.

  1. binhdinhquetoi

    binhdinhquetoi Advanced Member

    Joined:
    17/12/10
    Messages:
    250
    Likes Received:
    0
    Location:
    Vĩnh Thạnh-Bình Định
    nhớ cập nhật thông tin liên tục nhé bac :D
     

    Attached Files:

  2. lengkeng

    lengkeng Advanced Member

    Joined:
    31/10/06
    Messages:
    1.338
    Likes Received:
    17
    Location:
    Biên Hoà Đồng Nai
    TL071 opam đơn dể kiếm
    CD4049 con này mua có không chưa biết, hoặc thay thế con nào.
    IR2110 loại dán có nhưng mua luôn loại cắm thử cho biết.
    Con diode 1N5811. ULTRAFAST RECOVERY. RECTIFIER DIODES. PRV : 50 - 150 Volts. Io : 6.0 Amperes -> đủ nhanh để phục vụ em này.
    Con này phải làm từ từ không là cháy nổ -> thủng túi. Làm cho nó chạy thì không khó, mà làm chạy ổn định cường độ cao mới khó.
     
  3. dunahoang

    dunahoang Advanced Member

    Joined:
    21/7/10
    Messages:
    100
    Likes Received:
    0
    Con 1N5811 coi chừng không gắn vừa lên PCB của bác đó.
     
  4. nongdanfo

    nongdanfo Advanced Member

    Joined:
    10/1/10
    Messages:
    1.682
    Likes Received:
    7
    Location:
    Cẩm Phả _ Quảng Ninh
    ơ .. cái cụ này ... ốm iếu thì ở nhà dưỡng bệnh đê.. Lên đây làm chi :lol:
     
  5. lengkeng

    lengkeng Advanced Member

    Joined:
    31/10/06
    Messages:
    1.338
    Likes Received:
    17
    Location:
    Biên Hoà Đồng Nai
    @Nông dân fố làm amp to không em biết cụ đang máu.1N5811 loại hạt bắp ngắn có tí xíu à.
     
  6. nongdanfo

    nongdanfo Advanced Member

    Joined:
    10/1/10
    Messages:
    1.682
    Likes Received:
    7
    Location:
    Cẩm Phả _ Quảng Ninh
    hố hố.. em khô máu rồi còn đâu.
    Ở nhà đang có cái biến áp . Mới cuộn được sơ cấp. ,,
    còn 1 cái nữa chưa thèm cuộn.. Vì to quá..
    THôi em té sang đèn thôi.. già dồi :mrgreen:
     
  7. dunahoang

    dunahoang Advanced Member

    Joined:
    21/7/10
    Messages:
    100
    Likes Received:
    0
    NGhe nói ở đâu có "Dê" là em lại máu, phải ngồi dậy ngắm nghía ,, theo dõi chứ.
     
  8. lengkeng

    lengkeng Advanced Member

    Joined:
    31/10/06
    Messages:
    1.338
    Likes Received:
    17
    Location:
    Biên Hoà Đồng Nai
    IR2110 hàng chợ biết có xài được không, hàng xịn thì có nhưng loại chân dán mới chết. Bác nào có kinh nghiệm chỉ em quấn cái cuộn dây.
     
  9. DThocviec

    DThocviec Advanced Member

    Joined:
    16/6/12
    Messages:
    265
    Likes Received:
    0
    @LengKeng bác thử cách này xem, nghe chừng có lý đấy.
     
  10. binhdinhquetoi

    binhdinhquetoi Advanced Member

    Joined:
    17/12/10
    Messages:
    250
    Likes Received:
    0
    Location:
    Vĩnh Thạnh-Bình Định
    mới nhận từ Hà Nội cái biến áp xuyến 20A.ôi trời ơi nó to kinh khủng. to hơn những cái mà em tùng thấy trong mấy cái main sân khấu luôn. quả này dành để cho cái classD này thì hết sẩy luôn. đem được cái biến thế về nhà là em cháy tuối. lại phải chờ vài tháng nữa mới đủ lúa mua linh kiện ráp tiến vậy
     
  11. dunahoang

    dunahoang Advanced Member

    Joined:
    21/7/10
    Messages:
    100
    Likes Received:
    0
    Cho cái hình coi đi bác Trình.
     
  12. binhdinhquetoi

    binhdinhquetoi Advanced Member

    Joined:
    17/12/10
    Messages:
    250
    Likes Received:
    0
    Location:
    Vĩnh Thạnh-Bình Định
    hình đây bác Dũng ơi :D
     

    Attached Files:

  13. dunahoang

    dunahoang Advanced Member

    Joined:
    21/7/10
    Messages:
    100
    Likes Received:
    0
    Trời ơi, BA cỡ này sao mà nhét vô ampli được hả trời :?: Chắc phải dựng đứng mấy cái main lên hết.
     
  14. hola

    hola Advanced Member

    Joined:
    3/3/09
    Messages:
    345
    Likes Received:
    24
    Sao lại quấn băng keo thế bác Trình, khi bị nóng nó quéo quéo lại kô đẹp lắm. Giờ bác chịu khó làm thế này nhé; tháo ra bỏ lớp băng keo-lót giấy cách điện và quấn lại bằng băng cotton(kô keo)(cách làm giống quấn ruy bang) ấy-sau đó quét or nhúng vẹcni-sấy khô-lắp lại..bảo đảm đẹp,chịu nhiệt và cách điện tốt :D
     
  15. binhdinhquetoi

    binhdinhquetoi Advanced Member

    Joined:
    17/12/10
    Messages:
    250
    Likes Received:
    0
    Location:
    Vĩnh Thạnh-Bình Định
    cảm ơn bác đã nhắc. đây là do nơi làm họ quấn thế chứ em không quấn(không phải băng keo đâu bác ). em vẫn thấy trong các main sân khấu ngay cả đồ hãng vẫn làm thế. còn xài mà để cái biến thế nóng đến mức teo cả cái ni lông bên ngoài thì không ổn rồi. còn làm như bác thì quá tuyệt rồi
     
  16. binhdinhquetoi

    binhdinhquetoi Advanced Member

    Joined:
    17/12/10
    Messages:
    250
    Likes Received:
    0
    Location:
    Vĩnh Thạnh-Bình Định
    hình đây bác Dũng ơi :D[/quote]
    Trời ơi, BA cỡ này sao mà nhét vô ampli được hả trời :?: Chắc phải dựng đứng mấy cái main lên hết.[/quote]

    hiiiiiiiii khi khui thùng em cũng hơi choán vì nó to quá (cao 13cm, đường kính ngoài 24cm). như anh thấy em đã để thử lên 1 cái vỏ máy.nói chung là vừa khích luôn nên bố trí thiết bị cũng hơi khó
     
  17. tuananh1985

    tuananh1985 Approved Member

    Joined:
    14/3/13
    Messages:
    28
    Likes Received:
    0
    Cụ chấy lặn ko sủi tăm gì cả đang sôi nổi
    - Nhân tiện chia sẻ với các bác bộ nguồn SW dùng IR2153 :roll: con này em làm rồi khổ cái ko có FB lên áp nó nhẩy nhẩng
    bác nào thích em bảo :lol:
     
  18. binhdinhquetoi

    binhdinhquetoi Advanced Member

    Joined:
    17/12/10
    Messages:
    250
    Likes Received:
    0
    Location:
    Vĩnh Thạnh-Bình Định
    công suất bao nhiêu thế bác
     
  19. tuananh1985

    tuananh1985 Approved Member

    Joined:
    14/3/13
    Messages:
    28
    Likes Received:
    0
    EM mới dùng 1 cái BA của ATX công suất em mới thử ở 100W vì mấy con diode nắn em dùng loại 3A vì e chưa tìm đc loại chịu dòng lớn hơn chạy cái mạch AB max volum mà 2 con fet vẫn mát lạnh

    thế ở luồng này ngoài 2 cái sch do bác thiến chấy up các bác còn mạch nào chạy rồi ko
    Mới dùng dđ lên em ko biết up file kiểu gì hic
     
  20. thuonglongxx

    thuonglongxx New Member

    Joined:
    11/12/13
    Messages:
    2
    Likes Received:
    0
    e đang phải làm ampli class D là 1 phần nhỏ của đồ án tốt nghiệp-- phải dùng class D bởi bài toán em yêu cầu hiệu suất phải cao để tránh trường hợp sinh nhiệt cháy nổ. e tìm đc diễn đàn này các bác đã làm thành công rồi giúp đỡ chỉ bảo e vs nhé ạ
    E đã đọc hết các bài đăng của các bác ùi,, cũng hiểu sơ sơ-- hum qua e đi chợ trời hỏi lk thì có bán ir2110 rồi,,
    e hơi thắc mắc 1 điều là chỗ đưa tín hiệu vào opam so sánh thì nguồn xung tam giác lấy từ đâu ạ????????? :(
    e hơi cùi mong các bác chỉ bảo ạ hehe :wink:
     
  21. thuonglongxx

    thuonglongxx New Member

    Joined:
    11/12/13
    Messages:
    2
    Likes Received:
    0
    ngon lành cành đào chưa các bác ơi, e muốn làm thử 1 phát theo anh thienchay mà còn mấy chỗ k hiểu muốn hỏi các a.e vs ạ:
    theo nguyên lý thì cần có nguồn xung tam giác vào opam so sánh vs in đúng ko ạ??? vậy mình cần nguồn xung từ bên ngoài hay trên bôt này đã có rùi ạ :cry:
    e còn quá cùi bắp mong các sư huynh chỉ bảo ạ
     

    Attached Files:

  22. haingoc

    haingoc New Member

    Joined:
    15/4/14
    Messages:
    2
    Likes Received:
    0
    em cũng có mấy conrectifier powerone lỗi mà khó sửa quá, có bác nào có kinh nghiệm về sửa chữa loại này cho em xin 1 ít được không ạ?
     
  23. haingoc

    haingoc New Member

    Joined:
    15/4/14
    Messages:
    2
    Likes Received:
    0
    em cơ mấy con rectifier powrone 1648 này bị lỗi mà chưa sửa được, bác nào có kinh nghiệm qua dòng này rồi cho em xin chút kinh nghiệm được không ạ!
     
  24. buitanduy

    buitanduy Advanced Member

    Joined:
    16/10/13
    Messages:
    287
    Likes Received:
    5
    Nhìn cục BA này có lẽ do cụ Bình cầu diễn ra tay đúng không bác :D
     
  25. binhdinhquetoi

    binhdinhquetoi Advanced Member

    Joined:
    17/12/10
    Messages:
    250
    Likes Received:
    0
    Location:
    Vĩnh Thạnh-Bình Định
     

Share This Page

Loading...