Dự án này coi như chìm xuồng rồi.................................................................................
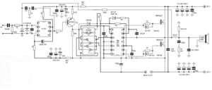
Xin lỗi các bác vì đã đợi em mà em lại mất tích , dạo này em bận quá nên cũng không có thời gian đụng vào DIY :wink: . Em xin báo cáo tình hình ạ , em đang test bộ nguồn xung khủng và mạch IRS-900D , mọi chiện rất ổn định cho tới bây giờ , em không dám max Volume vì với +/-53V em thấy nó mún ăn tươi cái loa dang test của em (bass 25cm) , Volume e để khoảng 10h thôi mà cứ sợ cái loa nó teo huyền :mrgreen: , tiếng bass phải nói là rất căng và dứt khoát , dù em không dùng thêm 1 con tụ lọc nguồn nào , mà em câu thẳng DC từ nguồn xung ra và đưa vào mạch Power Amp luôn ạ . Nhưng em mới phát hiện 1 điều là (có mùi lạ lạ) em thăm nhiệt các linh kiện thì mọi thứ OK trừ cái cuộn cảm , nó rất nóng , em sờ vào mà phải giật ra liền và xém bị bỏng , nó nóng lắm ạ , không biết tại sao nữa . Nhưng sơ bộ như vậy thì cái mạch nguồn mắc nối tiếp rất OK , tiếng bass uỳnh uỳnh mà chỉ sụt có từ 53,5V xuống 53,4V rồi lên liền , lâu lâu số nó nhảy 1 cái thôi nên coi như chưa bị sụt nguồn khi đánh với 8 ohm . Cái vụ cuộn cảm xin các cao thủ giúp em với ạ .
Cái cuộn cảm nóng là dúng rồi vì nó chịu dòng lớn của phần công suất mà. do dò, để an toàn phải quấn dây lớn một chút, tính toán đường kính dây với mật độ dòng 4A/ mm2 thì dảm bảo không cháy, không khét, không teo huyền. :mrgreen:
Cách đây mấy hôm em nghe Class D của 1 shop tại HN....Em xin nói lại là: Chưa nghe thì có vẻ hào hứng....Nghe rồi, không muốn và cũng không hứng nữa ạ! Túm lại chỉ để làm mấy thèng cử tạ thôi! Xin lỗi bác chủ nếu em có gì không phải!
Đang có 1 mạch Class D lắp sẳn chạy con TPA3001, công suất 20W chất lượng chắc củng không tệ. Mai em câu nguồn cho nó hát xem sao !
để em khởi động lại cái dự án này cho. đây có thể nói là mạch đầu tiên em làm nên em yêu quý nó lắm. em chỉ đang dừng lại ở mức độ thử nghiệm với mạch toàn đồ trung quốc. nhưng chớ con thường em nó. các bác mà ra quán mua bộ loa vi tính mới dưới 1 tr về là em nó vật cho ra bã luôn. tiếc là đồ của em toàn đồ cùi layout thì em tự vẽ nên chưa đáp ứng được yêu cầu. hic fet thì nóng phải có tỏa nhiệt to gấp đôi con fet. tip41 thì ngang lò phản ứng hạt nhân. tản nhiệt phải bằng bàn tay mới đủ (mặc dù bây giờ e đang cho nó cái tản nhiệt bằng con fet nó nóng tầm 70 độ - nguồn 42V DC- 7A nhưng chỉ dừng lại ở mức đó mà vẫn không tèo tip cùi mà chịu nhiệt ghê gớm quá :lol: ) đôi điều chia sẻ với anh em.!!!!
Anh hướng dẫn em quấn cuộn cảm với, em quấn tàn bị bóc khói không à, dùng cuộn cảm dán mở tiếng hơi to thì bị giựt giựt. Em làm con TDA8920 và cuộn cảm cần quấn là 22uh
cái này trước đây e cũng bị vướng mãi mới tìm được nguyên nhân. bác chịu khó mua cái bóng đèn tiết kiệm điện loại 15-20 W lấy cái lõi của nó mà cuốn là tốt nhất.cuốn tầm 40-50 vòng dây 0.5 mm. không biết dây 0.5 như thế nào thì cứ ra mấy cái hiệu sửa chữa đồ điện mà mua bảo dây 50 là ng ta hiểu liền.còn số vòng dây tùy thuộc vào tai người nghe. muốn nhiều treble thì ít dây muốn nhiều bass thì tăng thêm 2-3 vòng là o lưu ý khi cuốn dây phải cuốn sao cho thật sít.từng lớp từng lớp một. khi cuốn xong thì cũng vừa đủ cái lõi là ok. tránh trường hợp cuốn xong cái lõi còn hở to quá là nó hát theo nhạc đấy. khi cuốn xong có thể bôi thêm 1 ít gì gì ấy để nó sít các vòng dây lại. :mrgreen: hôm nào hỏi mấy lão cuốn biến áp cái đã :lol:
Hi hi, nãy giờ lục đồ ve chai nhà kiếm con IR2110 mà hổng có, tính đu theo các bác thử mà hông có thôi giờ ngồi ngó. Các bác làm chuột bạch trước, em theo sau.
Em đã làm xong, hết bị bóc khói và không có nóng tí nào. Âm thanh nghe hay hơn cuộn cảm dán nhiều. Cảm ơn anh lần nữa.
không biết ở đây có cụ nào có con tip 41 zin không. con này của em nó nóng quá chưa khắc phục được nó. không biết nguyên nhân là do em dùng đồ lởm hay có gì chưa đúng ở đây
Nhờ các bác chỉ giúp: board 900D cái chổ +BIAS- mình sẽ lắp với cái gì ạ? với class AB thì dùng biến trở hoặc trở nhiệt; với cái này mình gà rồi Many thank!