6C33C SE Monoblock của Liên Quân Nga- Mỹ - Việt

Discussion in 'Công nghệ nghe nhìn' started by tamtam, 26/8/11.

  1. nemo07

    nemo07 Advanced Member

    Joined:
    24/8/10
    Messages:
    102
    Likes Received:
    10
    ráp 6c33c se theo mạch nào, dùng đèn pre gì cho tiếng long lanh chi tiết nhất vậy các bác? em mới thử theo mạch dùng 2 đèn 6j5 cho mỗi kênh thì thấy tổng thể trầm ấm, bass khủng mid dày, nhưng vẫn chưa thỏa mãn phần âm treb. em làm theo mạch này, không dùng hồi tiếp, bỏ tụ thoát tầng đầu thì cải thiện âm treb khá nhiều, nhưng vẫn chưa ổn
    http://www.bonavolta.ch/hobby/images/audio/6c33c_4.gif
     
  2. Teablue

    Teablue Advanced Member

    Joined:
    6/12/05
    Messages:
    4.259
    Likes Received:
    22
    Location:
    Sài Gòn
    Nối trực tiếp nó thế đó bác. Bác thử theo mạch này, cũng 2 đèn trên chassis
    Do VNAV thiếu ổ cứng nên pot hình nhỏ khó coi. Bác cho email em gữi file gốc (.pdf)
     

    Attached Files:

  3. nemo07

    nemo07 Advanced Member

    Joined:
    24/8/10
    Messages:
    102
    Likes Received:
    10
    Ủa, em tưởng nối trực tiếp thì dải thông tốt nhất chứ bác?
    Biến trở 2k tại katot 6j5 dùng chỉnh cái gì, tụ input cap để làm gì vậy? cả con diot D1-3 nữa. Mong bác giải thích giúp ạ.
    Cảm ơn
     
  4. Teablue

    Teablue Advanced Member

    Joined:
    6/12/05
    Messages:
    4.259
    Likes Received:
    22
    Location:
    Sài Gòn
    Em cũng nghe nói vậy :lol:
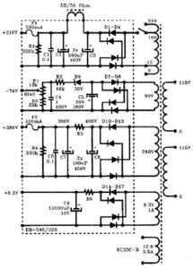
    P1 chỉnh điểm làm việc(điểm DC) cho tầng lái, chỉnh sao cho ít méo nhất là được
    D1, D2, D3 là ba con zener 100V/1W nối tiếp dùng để regu nguồn 300VDC cho tầng pre driver
    Input capa (option) chắc để đánh treble. Mà tổng trở vào cao lắm nên chỉ cần tụ .1uf là full range rồi :D
     
  5. nemo07

    nemo07 Advanced Member

    Joined:
    24/8/10
    Messages:
    102
    Likes Received:
    10
    vâng, bây giờ thì em đã hiểu, rảnh em sẽ mod lại theo mạch bác gợi ý, 6sn7 em có dư 1 cặp. Cảm ơn bác!
     
  6. concerto

    concerto Advanced Member

    Joined:
    27/2/07
    Messages:
    1.913
    Likes Received:
    15
    Location:
    Hà Nội
    2 vấn đề ở trên em trích ra theo em nó không liên quan với nhau ...
    Hơn nữa cấu hình của mạch luôn giải quyết khiếm khuyết kỹ thuật hiệu quả hơn RẤT NHIỀU so với linh kiện trong mạch ... :wink:
     
  7. concerto

    concerto Advanced Member

    Joined:
    27/2/07
    Messages:
    1.913
    Likes Received:
    15
    Location:
    Hà Nội
    Ngoài ra còn 1 liên quân Nga-Mỹ-Việt cho 6C33C Ét-Ơ xem ra chưa ai làm đó là:
    - 6C33C Nga + bán dẫn Mỹ
    - Tụ Nga + tụ Mỹ
    - Biến thế nguồn VN
    - Thiết kế + liền mạng + chợ trời tất cả VN
     
  8. bunhangbun2006

    bunhangbun2006 Advanced Member

    Joined:
    27/5/09
    Messages:
    414
    Likes Received:
    1
    thế thì bác chư biết rồi :lol:
    đang có nguoi choi như
    -pre 6c33c + pow bán dẫn usa
    -tụ nga +tụ mỹ+ tu nhật....
    -biến thế bác bình cầu diễn quấn
    -Thiết kế + liền mạng + chợ trời tất cả VN :D
     
  9. concerto

    concerto Advanced Member

    Joined:
    27/2/07
    Messages:
    1.913
    Likes Received:
    15
    Location:
    Hà Nội
     
  10. bunhangbun2006

    bunhangbun2006 Advanced Member

    Joined:
    27/5/09
    Messages:
    414
    Likes Received:
    1
    Cái này thì quá òm mà lại không đúng tiêu chí đề ra
    nếu đúng tiêu chí thì chưa có cao nhân nào làm bác ạ :lol:
     
  11. tamtam

    tamtam Advanced Member

    Joined:
    23/5/06
    Messages:
    843
    Likes Received:
    64
    Location:
    SAIGON
    Đã hơn một năm từ khi viết về 6C33C SE Liên Quân Nga -Mỹ-Việt, em đã được cho mượn nghe thêm vài Power đèn nữa và kết quả là theo em vẫn chưa có vũ khí nào vượt qua được Liên Quân này trong phối ghép hiện có của em.

    Khi biết mình có thể phải gắn cuộc đời ngắn ngủi của mình vào vũ khí này, em đã tiến hành cải thiện em nó một cách tốt nhất có thể để khỏi còn lăn tăn gì nữa. Và thế là loạt tụ hóa được thay bằng Panasonic ED và TSUP series, tụ nối tầng Jensen PIO (cooper foil) và Mundorf SIO, trở tatalum, thoát cathode 6E5P bằng tụ Elna Silmic II, và tụ Bạc Nga, ... Trước đây bias còn hay dao động nên em phải thường xuyên theo dõi và chỉnh. Sau khi đã nâng cấp, bias nay rất ổn định và đều ở cả hai block dù power có lúc chạy trên 5 giờ liên tục.

    Xin cập nhật vài tấm hình em nó cuối năm 2012.
     

    Attached Files:

  12. trunghieuhp89

    trunghieuhp89 Advanced Member

    Joined:
    8/7/12
    Messages:
    1.965
    Likes Received:
    4
    Location:
    Hải Phòng
    Em cũng đang lên dự án làm 6c33c đây ạ... Hi
     
  13. vankhanh

    vankhanh New Member

    Joined:
    21/4/15
    Messages:
    4
    Likes Received:
    0
    tham khảo nhiều ý kiến của các bác em cũng cho ra lò bộ 6c33c PP nghe thấy cũng được được, nói chung là nên tính toán cẩn thận thì đỡ phải ráp đi ráp lại nhiều.

    https://www.youtube.com/watch?v=zG4brSWC6ko
     

    Attached Files:

Share This Page

Loading...